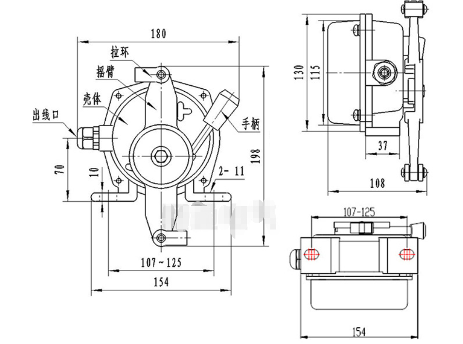
WLK-R22/WS事故急停拉线开关

发布时间:2022-04-04

WLK-R22/WS事故急停拉线开关

WLK-R22/WS事故急停拉线开关WLK-R22/WS事故急停拉线开关WLK-R22/WS事故急停拉线开关WLK-R22/WS事故急停拉线开关WLK-R22/WS事故急停拉线开关

上一篇:西门子武汉市一级代理商/授权代理...
下一篇:供应 : 英国Boddingto...