Rexroth压力表安装尺寸R900072028

产品作用:
例如普通压力表的弹簧管多采用铜合金(高压的采用合金钢),而氨用压力表弹簧管的材料却都采用碳钢(或者不锈钢),不允许采用铜合金。因为氨与铜产生化学反应,会爆炸,所以普通压力表不能用于氨压力测量。
、用于测量黏稠或酸碱等特殊介质时,应选用隔膜压力表、不锈钢弹簧管、不锈钢机芯、不锈钢外壳或胶木外壳。
按其所测介质不同,在压力表上应有规定的色标,并注明特殊介质的名称,氧气表必须标以红色"禁油"字样,氢气用深绿色下横线色标,氨用黄色下横线色标等等。
靠墙安装时,应选用有边缘的压力表;直接安装于管道上时,应选用无边缘的压力表;用于直接测量气体时,应选用表壳后面有安全孔的压力表。出于测压位置和便于观察管理的考虑,应选择表壳直径的大小。
氧气压力表与普通压力表在结构和材质方面可以完全一样,只是氧用压力表必须禁油。因为油进人氧气系统易引起爆炸。所用氧气压力表在校验时,不能像普通压力表那样采用油作为工作介质,并且氧气压力表在存放中要严格避免接触油污。如果必须采用现有的带油污的压力表测量氧气压力时,使用前必须用四氯化碳反复清洗,认真检查直到无油污时为止。
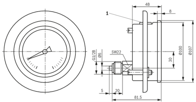
压力计是压力测量仪器,用于测量和显示液压系统中的压力
壳体由不锈钢制成
设计符合 EN 837-1 标准
压力用 bar/MPa 或 bar/psi 表示
刻度两边着色
测量时连接在背面或底部
螺丝或支架安装

R900407394 Z2S 10-1-3X/
R900423730 DBDS6P1X/315
R900424348
R900424887 2 FRM 10-31/10L
R900424906 2FRM16-32/160L
R900434290
R900466583
R900481621
R900481621 Z2FS 6-2-44/1Q
R900481624
R900494086
R900520641
R900534143
Rexroth压力表安装尺寸R900072028