GDJF-2006局部放电测试系统的定义及产生原因
在电场作用下,绝缘系统中只有部分区域发生放电,但尚未击穿,(即在施加电压的导体之间没有击穿)。这种现象称之为局部放电。局部放电可能发生在导体边上,也可能发生在绝缘体的表面上和内部,发生在表面的称为表面局部放电。发生在内部的称为内部局部放电。而对于被气体包围的导体附近发生的局部放电,称之为电晕。由此 结一下局部放电的定义,指部分的桥接导体间绝缘的一种电气放电,局部放电产生原因主要有以下几种:
电场不均匀。
电介质不均匀。
制造过程的气泡或杂质。总线经常发生放电的原因是绝缘体内部或表面存在气泡;其次是有些设备的运行过程中会发生热胀冷缩,不同材料特别是导体与介质的膨胀系数不同,也会逐渐出现裂缝;再有一些是在运行过程中有机高分子的老化,分解出各种挥发物,在高场强的作用下,电荷不断地由导体进入介质中, 在注入点上就会使介质气化。
GDJF-2006局部放电测试系统产品用途
GDJF2006 局部放电检测分析系统(局放仪)由三大模块构成:信号处理模块,隔离模块,采集处理模块。根据系统连接图,检测阻抗将局部放电信号检出并送到信号处理模块,信号处理模块完成将局部放电信号整理、放大、整形等功能后将局部放电信号送往隔离模块,隔离模块将计算机采集处理模块和信号处理模块隔开,防止它们之间互相干扰,总线后由采集处理模块完成对局部放电信号的采集.处理.分析和显示

采用高速.大容量数据采集卡,能进行连续采集局放数据,数据复现性好,准确度高。
具有测试.分析(多参数分析.二维图谱分析.三维图谱分析).数据保存。报告生成及打印等功能
能同时显示局部放电波形(椭圆。正铉波。直线三种方式)。局放量和测试电压。
在校正和测试过程中自动调节增益而不需要人为干预,操做简便.
可适应工频(50Hz)三倍频(150Hz)总线高至400Hz的电源。
可实现对外加电源频率的自动跟踪.
开门开窗可任意设置总线小可至1度。
可单通道也可六个通道进行测量.
体积小,重量轻。既适合于电力部门和制造厂车间等现场使用,也适合于科学研究试验。
灵敏度高,适用的试品范围广等优点。
| 可测试品的电容量范围 | 6pf~250μf |
| 检测灵敏度 | <0.02pc(电容50pf时) |
| 放大器 | 3db低端频率f1 10、20、30。50。80kHz任选,3db频率fh 100 、200、300、400、500kHz任选 |
| 增益调节范围>120db,档间增益差20±1db。正、负脉冲响应不对称性<1db | |
| 时间窗 | 窗宽1о~360о,窗位置可任意旋转 |
| 试验电压表 | 0~200kV,数字表显示时误差<3%F.S |
| 采集通道 | 4通道/卡 |
| 输入阻抗 | 1MΩ |
| 采集卡总线高采样率 | 20MHz |
| AD分辨率12BIT。直流0.2% | |
| 每通道采样长度 | 8M |
| 触发方式 | 手动、外触发、内触发 |
| 采集卡带宽 | 3MHz(-3DB) |
| 重量 | 约15kg |
与局放仪相关的三种典型的试品的试验线路:

(一)并联法 (二)串联法 (三)平衡法
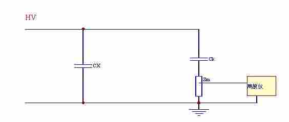
标准试验电路,又称并联法。适合于必须接地的试品。 其缺点是高压引线对地杂散电容并联在 CX上,会降低测试灵敏度。
接法的串联法,其要求试品低压端对地浮置。 其优点是变压器入口电容、高压线对地杂散电容与耦合电容CK并联,有利于提高试验灵敏度。缺点是试样损坏时会损坏输入单元。
平衡法试验电路:要求两个试品相接近,至少电容量为同一数量级其优点是外干扰强烈的情况下,可取得较好抑制干扰的效果,并可消除变压器杂散电容的影响,而且可做大电容试验。缺点是须要两个相似的试品,且当产生放电时,需设法判别是哪个试品放电。
值得提出的是:由于现场试验条件的限制(找到两个相似的试品且要保证一个试品无放电不太容易),所以在现场平衡法比较难实现,另外,由于采用串联法时,如果试品击穿,将会对设备造成比较大的损害,所以出于对设备保护的想法,在现场试验时一般采用并联法。
采用并联法的整个系统的接线原理图。
该系统采用脉冲电流法检测高压试品的局部放电量,由控制台控制调压器和变压器在试品的高压端产生测试局放所需的预加电压和测试电压,通过无局放藕合电容器和检测阻抗将局部放电信号取出并送至局部放电检测仪显示并判断和测量。系统中的高压电阻为了防止在测试过程中试品击穿而损坏其他设备,两个电源滤波器是将电源的干扰和整个测试系统分开,降低整个测试系统的背景干扰。

根据上述原理图可以看出,局部放电测试的灵敏度和准确度和整个系统密切相关,要想顺利和准确的进行局部放电测试,就必须将整个系统考滤周到,包括系统的参数选取和连接方式。另外,在现场试验时,由于是验证性试验,高压限流电阻可以省掉。
几种典型试品的接线原理图。
(1)电流互感器的局放测试接线原理图

(2)电压互感器的局放测试接线原理图
A.工频加压方式接线原理图

B.高频加压方式接线原理图
为了防止电压互感器在工频电压下产生大的励磁电流而损坏,高压电压互感器一般采取自激励的加压方式。在电压互感器的低压侧加一倍频电源,在电压互感器的高压端感应出高压来进行局部放电实验。这就是通常所说的三倍频实验。其接线原理图如下:

(3)高压电容器.绝缘子的局放测试接线原理图

(4) 发电机的局放测试接线原理图

(5)变压器的局部放电测试接线原理图
