宋兵兵
安科瑞电气股份有限公司 上海嘉定 201801;
摘要:作为*提出的绿色电网、节能降耗已成为现代化企业努力的目标,也是企业急需解决的问题。作为地铁车站这类市政公共交通建筑的重点系统——配电系统。实现绿色电网实质上是解决电网中存在的各种电能问题,主要是涉及到谐波与无功问题两个方面,就某条地铁线目前的电力系统状态而言,其在低压配电系统中装设有源电力滤波器进行谐波治理,但APF实际未投入。系统中的谐波问题仍然存在,因此需对该站点进行详细的测试,同时为该线路的有源电力滤波器APF进行必要性评估,对后续新开线路的有源滤波器设置提出参考意见。
关键词:地铁负载;电能质量;谐波治理;无功补偿
0、地铁电能质量分析
目前城市轨道交通普遍存在的主要电能质量问题就是功率因数、电压波动与闪变及谐波问题等。当前35KV和0.4KV大量使用电缆,夜晚期间一般所有的负荷基本停运,由于该用电负载多数为感性负荷,此时感性无功基本接近为零,产生的容性无功甚至可以达到几Mkvar。若无功功率倒送进电力系统,会导致线路电压升高,同时也会导致功率因数降低。地铁中电力机车属于典型的非线性负荷,由于运行过程中启停频繁,短时间内会产生冲击性负载电流,此类冲击会造成电压的波动与闪变。
1、主要研究内容
以广东某地铁站为例,由于该地铁站高压侧110kV和35kV无功及谐波方面已经治理,本篇文章主要突出治理0.4KV低压设备的无功及谐波等相关问题。线路阻抗随着频率的升高而增加,谐波电流使线路的附加损耗增加,而供电电网的损耗大部分为变压器和线路的损耗,所以谐波是导致电网网损增加的一个重要因素。线路的分布电感和对地电容与产生谐波的设备组成串联或并联回路,在一定的参数条件下,会发生串联谐振或并联谐振,而且所产生的谐振过电压和过电流对相关设备的危害性较大。(此情况一般出现在高压环境下,在0.4KV低压环境中由于线路和变压器的分布电容过小,一般忽略不计)在适当的条件下还会形成谐波放大,而谐波电压、电流放大会引起继电保护装置误动甚至损坏,造成电力火灾。同时谐波电流对线缆的肌肤效应会造成线缆发热过量,绝缘强度降低,造成电缆损耗增加,寿命缩短,额定容量降低。同时谐波电流还会导致系统的运行威胁导致不安全因素的出现,严重时会影响甚至是中断生产工作的进行[3]。故本公司组织针对地铁站低压配电室的1#和2#变压器进行了测试。同时对地铁系统中负载主要为照明、空调、泵机类、电梯、信号电源、UPS等设备进行开启有源滤波APF和不开启有源APF情况下进行测试,对测试数据进行统计分析,选出合适的型号的治理设备,同时计算该设备选择的节能性。
2、测试数据及分析
(1)测试说明
本次测试主要针对广东某地铁站低压配电室的1#和2#变压器进行了测试。系统中负载主要为照明、空调、泵机类、电梯、信号电源、UPS等设备,开关电源的启动瞬间形成电流冲击,和其它设备在运行过程中会对系统产生谐波电流污染。该系统中各变压器的负荷性质决定了在其运行的过程中会产生谐波电流并汇入配电网中对配电系统造成一定的谐波污染问题,系统中存在的节能照明在运行过程中产生3次谐波电流,3次谐波电流为零序谐波电流,三相矢量角度一致,存在N线上谐波电流的叠加情况,N相电流是相线的3倍,本次测试主要是针对这些问题进行的。根据工程实践经验,谐波电流会导致系统的运行威胁同时还会造成电缆的额外发热并加速电缆的绝缘老化导致不安全因素的出现,严重时会影响甚至是中断生产工作的进行。
(2)测试方法
在现场工作人员的配合下对共计2台变压器(1#变压器和2#变压器)进行了详细的电能质量测试,本次方案的目标是完全消除系统中谐波电流污染的问题尤其是3N次谐波电流叠加导致N线电流变大问题,同时N线电流变大容易导致电气火灾的发生,因此在整个用电系统中对于电流数据的采集较为重要。在方案制定时将会根据测试值对现场治理设备进行设计选型,保证系统中谐波电流的滤除。测试时每个测试点均进行了24小时的监测能够明确整个周期内的典型电能质量状况。
(3)测试数据及分析
1)1#变压器低压侧测试数据
1#测试数据表

通过上述测试数据分析得出,电压畸变率波动在1.2%~1.4%之间,电流畸变率为10%~15%左右,系统基波电流值约为500A,电流畸变频谱表明其中3次、5次、7次和11次谐波电流为主,的谐波电流值约为125A,N线电流主要为3次谐波电流的叠加导致。需要选择的输出治理电流每相至少在125A以上,N线输出能力为相线的3倍,可解决中线谐波电流叠加的问题。该变压器容量为1250kVA,现有地铁车站的滤波器设计中考虑到功率因数提高至0.92的要求,因此在滤波的同时需要考虑留有一定容量进行无功补偿,一般按照变压器容量的30%进行无功补偿配置。
2)2#变压器低压侧测试数据
2#测试数据表

通过上述测试数据分析出,电压畸变率波动在1.4%~1.5%之间,电流畸变率为10%~20%左右,系统基波电流值约为500A,电流畸变频谱表明其中3次、5次、7次和11次谐波电流为主,的谐波电流值约为100A,N线电流主要为3次谐波电流的叠加导致。需要选择的输出治理电流每相至少在100A以上,N线输出能力为相线的3倍,可解决中线谐波电流叠加的问题。该变压器为1250kVA的变压器,现有地铁车站的滤波器设计中考虑到功率因数提高至0.92的要求,因此需要考虑留有一定容量进行无功补偿,一般按照变压器容量的30%进行无功补偿配置。
3、三次谐波问题相应阐述
(1)三次谐波的概念及不良影响
对周期性非正弦电量进行傅里叶级数分解,可得到频率为基波整数倍的电量,这些电分量被统称为谐波。其中,频率为基波三倍的电量被称为三次谐波。在社会的高速发展下,民众与社会对于电能的需求量与日俱增,对电能质量的要求也日渐提高。随着种类丰富的电子设备在民众生活中的广泛普及,其中具有非线性负荷特性的电子设备也使电力系统中的电压、电流状态出现了一些改变。在利用傅里叶级数分解分析电压、电流波形时,便会发现 50Hz、220V电力中存在一些150Hz交流的正弦波,即频率50Hz的三倍的“三次谐波”。伴随着科学技术的迅猛发展,非线性负载的数量占比越来越多,其在工作时三次谐波占比较大。这种不良现象除了会增加整体电力系统的耗损,更会致使中性线线负载变大,严重影响电力系统整体的安全性以及稳定性,甚至会引发一系列的安全事故。另外三次谐波使电网出现发热的状况,严重时引发安全事故;对电子元器件日常的使用和运行产生不良影响,致使其产生错误操作;严重缩短电力设施使用寿命。三次谐波不仅仅会产生诸多危害,更会对电网整体的稳定性以及安全性产生严重的不良影响,进而影响民众的日常生产、生活有关活动、行为以及社会的和谐发展。所以,有关部门应当采取合理措施,减少乃至避免三次谐波的危害。
(2)对三次谐波治理的合理建议
对于单相整流电路非线性负荷而言,传统的无源滤波器并不适用。这主要是由于其滤波效果较差,同时还会生成较大容性无功,而这部分容性无功既是非线性负荷不会用到的,也是整体电网所不需要的。因此,有关部门应当采用有源滤波器进行治理。在单独使用此类滤波器对线路中谐波电流进行检测的时候,能够生成将其抵消的补偿类电流。然而从整体效果上来看,此类滤波器只能够确保安装部位上游的谐波电流变小,却不能对下游线路产生效果。所以,当对上述特征加以了解后,便能够针对性地处理三次谐波污染,即将有源的滤波器安装到存在三次谐波的下游线路中。除此之外,经过多年实践可知,当滤波器距离三次谐波电流源头越近,其防治的效果越好。与此同时,若三次谐波的过滤器为并联形式,也能够降低三次谐波的电压,所以,将三次谐波的滤波器并联于非线性的负荷比较大供电点处时,能够将三次谐波影响的危害控制在较低。
4、谐波治理整体解决方案
(1)有源电力滤波器的工作原理
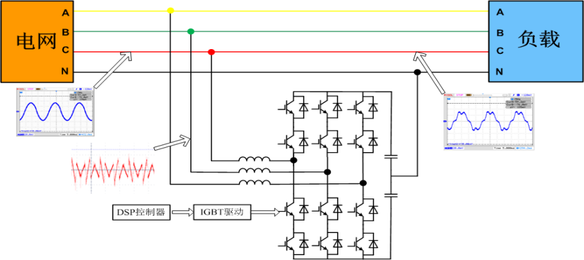
有源电力滤波器的工作原理如图1所示,主要由负载电流分离、指令电流调节、输出电流控制、驱动电路以及主电路组成。它采用电流型变流器,经连接电抗器接入系统,通过调整交流侧逆变输出电压的瞬时幅值与相位,或直接控制交流侧输出电流,使装置发出或吸收宽频谱无功功率。基于电力电子的有源电力滤波器装置并联于电网中,相当于一个可控的无功及谐波电流源,其无功及谐波电流可以快速地跟随负荷无功电流的变化而变化,自动补偿电网系统所需无功及谐波,并且可以实现从感性无功到容性无功的全范围补偿,同时对电网电压进行动态稳定调节。

图1 有源电力滤波器工作原理图
(2)有源电力滤波器的工作原理
有源电力滤波器采用模块化插拔式设计,集三相不平衡治理、谐波抑制和无功补偿功能为一体,方便运维人员安装拆卸,同时也方便将来用电负荷发生变化扩展补偿容量。
该有源滤波装置主要特点有以下几个方面:
1)补偿方式灵活:既可补谐波,又可兼补无功,可对2-51次谐波进行全补偿或特定次谐波进行补偿,同时可治理三相不平衡问题;
2)线性补偿,全响应时间≤5ms;
3)具有人性化的人机交互界面,可通过该界面看到系统和本体的实时电能质量信息,操作简单,可以远控,也可以本控;
4)采用DSP高速检测和运算的数字控制系统和进口IGBT,功率密度大,可靠性高;
5)监控以及显示具备远程通讯接口,可以通过PC机实时监控;
6)标准模块化设计,缩短交付周期,同时提高了使用的可靠性和可维护性。
有源电力滤波器可采用壁挂和整柜方式安装,同时可实现集中和就地治理,如图2所示的产品,给安装、 维护及日后升级带来了便捷,提高了整体的安装效率。



图2 有源电力滤波器产品示意图
5、案例分析
(1)项目背景
广东某地铁改造项目,系统中负载主要为照明、空调、泵机类、电梯、信号电源、UPS等设备,开关电源的启动瞬间形成电流冲击,和其它设备在运行过程中会对系统产生谐波电流污染。其谐波主要包括3、5、7、9次;不进行合理治理,将对其他电气设备产生危害,如:大量的3次谐波造成中线过热甚至发生火灾;大量谐波造成变压器局部严重过热;继电保护发生误动作等。
(2)治理方案
根据以往测量经验进行谐波分析与估算,谐波主要由UPS和一些非线性直流电源产生,该项目有1#、2#两个配电站,1#配电站有2台800kVA的变压器,2#配电站有2台1000KVA的变压器,分别采用集中治理方案,在每台变压器下加装ANAPF系列有源电力滤波器,由于安装空间有限,选择我司壁挂式有源电力滤波器进行嵌入式安装,1#配电站中#1和#2变压器下安装型号均为ANAPF75-380/BBL,2#配电站中#1和#2变压器下安装均为2台型号为ANAPF60-380/BBL的有源电力滤波器并机使用,保障了整个供电系统的稳定性。
(3)治理效果

图3 治理之前电流波形和各次谐波电流畸变率

图4 治理之后电流波形和各次谐波电流畸变率
治理前电流波形发生畸变,三相电流畸变率分别为10.8%、11.1%、12.5%;在加装ANAPF系列有源电力滤波器后电流波形趋向正弦波,各次谐波得到抑制,电流畸变率明显降低,三相电流畸变率降至4.0%、4.1%、4.4%。
(4)安装现场

6、结论
本文主要地铁负载电能质量治理方案的相关内容,通过对地铁电能质量方面出现的问题进行分析,并结合电能质量相应测量数据,给出相应的治理方案。*结合广东某地铁电能质量改造项目案例,并通过现场实际应用证明了滤波器设备的实用性,验证了有源滤波器设备可快速地治理无功及谐波电流,并且解决地铁用电负荷增长带来的电能质量恶化问题,对地铁电子设备、仪器仪表的计量和整体供电能力、安全运行及经济效益具有重要的意义。
参考文献
[1]张美.地铁低压谐波测试及有源滤波器应用分析[M]. 机械化工2019年5月.
[2]企业微电网设计与应用手册.2020.6
[3]安科瑞电能质量监测与治理选型手册.2019.11版