长治路灯智能照明系统厂家-2022已更新(/价格)由全系列费斯托 CKDC喜开理FESTO产品报价,货期快,采用ST503F-100A 在工农业生产用电动机械设备中,经常存在电动机长期“大马拉小车”和变载运行中的长期空载,造成了电能的有功和无功的严重损耗。应用电子型电动机保护器淘汰JR0—16热继电器势在必行。早在1994年11月22 日,*经贸委就发出第6号令《公布淘汰落后生产能力、工艺和产品的目录》中要求立即淘汰JR0—16系列热继电器。juchuan168

长治路灯智能照明系统厂家-2022已更新(/价格)



长治路灯智能照明系统厂家-2022已更新(/价格)


长治路灯智能照明系统厂家-2022已更新(/价格)特点及功能
1、软启动/全压启动:
用户可根据灯具种类的不同选用软启动或全压启动,以保证灯具能正常启动,并延长其寿命,其启动时间可调。
2、高智能化节电:
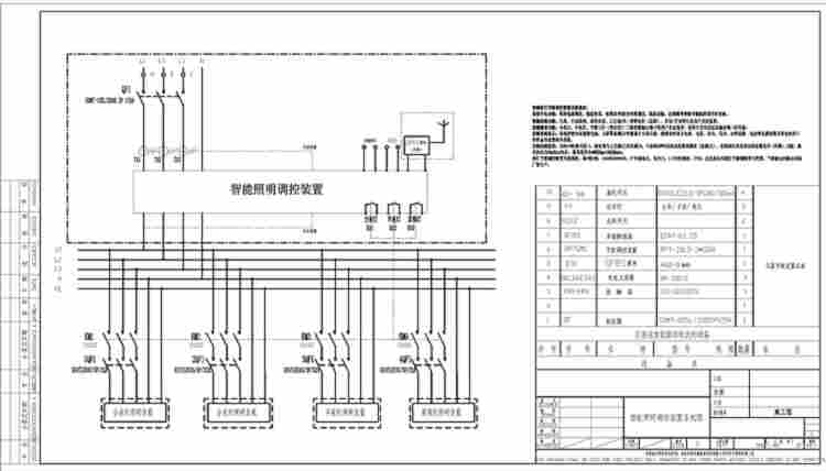
液晶屏显示和控制功能,可根据不同的照明灯具及其工矿调整,节电率可达15%-30%。
3、稳压、恒压:
节电柜可动态跟踪输入电压,自动调节节能电档位,使灯具工作在恒压状态,以保证灯具正常运行,达到*节能效果。
4、多层保护功能:
具备低电流旁通、低电压旁通、过载(过流)旁通、故障自动旁通并报警功能。
长治路灯智能照明系统厂家-2022已更新(/价格)
5、旁路系统:
节电与旁路双回路。
6、手动/自动调节:
旁路与节电水平均可实现手动与自动调节,即使节电器故障也能保障照明供电系统的正常运行。
7、断电自动记忆恢复功能:
自动恢复断电前的所有设置。
8、远程控制接口:
具有电脑及远程自动化控制RS-485接口:可用于远程控制升级及现场电脑修改程序。
9、可选增配功能:
天体钟自动跟踪控制开关时间功能、光照度自动跟踪控制开关时间功能、半夜灯输出控制功能等。
团队实力秉承不断进取和创新之精神,把用电、智能配电作为主要发展方向,积极推动电子信息在电气自动化领域的应用和发展,并与智能化相结合。senwei168以规范化的检验为手段,完善的体系作保障,向用户提供的产品及服务;以科技为先导、为、市场为导向的经营理念,与用户建立了紧密的长期合作互利关系;为电信、电力、、金融、、、商业、农业、民居等诸多领域的用户提供多样化的解决方案和服务。
崛起始自和品质、成长源自创新和共赢的宗旨和以人为本、创造满意的理念,凝聚了一大批的人才和人才,搭建了现代化的制度和灵活的市场运作机制。自始至终坚持诚信、务实、严谨的文化建设,不断向上的氛围,将科学、融洽、积极、的理念传递给每一-位员工,充分了的向心力、凝聚力和感召力!成就客户,创造未来是我们的目标,我们不单为您提品,更延续着我们的服务体系,用我们的真诚,成为您信赖的合作伙伴,与您携手共进、共创未来!