原文章地址:电磁流量计模拟输出量调校http://www.denengyb.com/zh9551177/vip_doc/1218472.html
① 仪表调校准备,
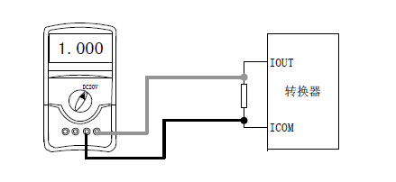
仪表开机运行15 分钟,使仪表内部达到热稳定。准备0.1%级电流表,或250Ω电阻和0.1%电压表,按下图接好。

② 电流“0”点修正:
将转换器设置到参数设置状态,选择“电流零点修正”项,进入,将标准信号源拨到“0”档,调整修正系数值,使电流表正好指示4mA(±0.004mA)。
③ 电流满度修正:
选择“电流满度修正”参数,进入,将标准信号源拨到满量程档,调整转换器修正系数,使电流表正好指示20mA(±0.004mA)。调整好电流的“0”点和满量程值后,转换器的电流功能就能保证达到精度。转换器的电流输出线性度在0.1%以内。
④ 电流线性度检查:
将标准信号源拨到75%,50%,25%,检查输出电流的线性度。
电磁流量计:http://www.deneng18.com/
蒸汽流量计:http://www.deneng18.com/
涡街流量计:http://www.deneng18.com/