YWK-7DD差压控制器

发布时间:2022-12-31

YWK-7DD差压控制器

 

YWK-7DD差压控制器 

 

概述

用膜片及活塞结合形成的传感器,能耐较高的静压,适用于空气、气体等中性气体和润滑油、轻燃油等液体介质。控制器的差压设定值可调,调节范围70~300KPa。

控制器结构紧凑小巧,尤为适用于对安装空间要求苛刻的场合。

 

主要技术性能

工作粘度

<1×10-3m2/s

开关元件

微动开关

环境温度

-25℃~55℃

介质温度

0℃~80℃

外壳防护等级

IP54

抗振性能

Max100m/s2

重复性误差

≤2.5%

触点容量

AC  220V  6A(阻性)

安装位置

H(高压腔)接口垂直向下(允许倾斜15°)

 

特点

小型设计,开关动作频率高(100次/分钟),抗振性好。

 

规格

切换差不可调

差压设定值调节范围KPa

切换差

不大于

KPa

*允许

工作压力MPa

压力传感器材料

接  口

外螺纹

外壳

膜片

活塞

70~170

50

3.5

LY12

铝合金

丁腈

橡胶

M18×1.5

或M16×1.5

120~300

80

 

设定值的调整                     

在高压(H)接口处输入高压源,在低压(L)接口处输入低压源。

【例】选用差压设定值调节范围为70~170KPa的控制器,要求差压上升至120KPa(上切换值)时,发出报警信号,其操作步骤如下:

1. 将控制器的高压接口旋入压力校验台,并使开关接线座接上信号源;

2. 将压力升至120KPa(此值由标准压力表测得);

3. 以M2内六角螺钉扳手调整低压接口内的差压设定值螺母(顺时针方向旋转,差压设定值增大,逆时针方向旋转,差压设定值减少),使其在120KPa附近切换;

4. 改变压力值,使压力在120KPa上下来回变化,检验开关触点上切换值是否是120KPa,此时下切换值应是120KPa减去切换差(30KPa左右),等于90KPa(左右);

5. 在高压端,低压端同时输入高、低压信号,观察其差压值是否为上切换值120KPa(若用户受调试设备的限制,此步骤可以免做)。

 

选用和安装

1. 选用控制器,*使预定的设定值位于控制器差压设定值调节范围的中间部分,一般为调节范围的20%~80%;

2. 控制器若要安装在室外时,应给予足够的防护措施,以免受环境温度的剧烈变化,阳光直接辐射,腐蚀性气体或水的渗入等影响;

3. 对有压力峰值及脉冲压力的介质,可安装阻尼器,以消除脉冲干扰;

4. 安装压力接口时,应夹持控制器接口的外六角接头处,防止开关壳体与高、低压接头发生松动,影响控制器性能;

5. 接地座要可靠接地;

6. 高、低压入口不能接反,否则不动作;

7. 通断电流不能大于额定值(当触点动作频繁时,*不要过额定值的60%)。

 

 

 

 

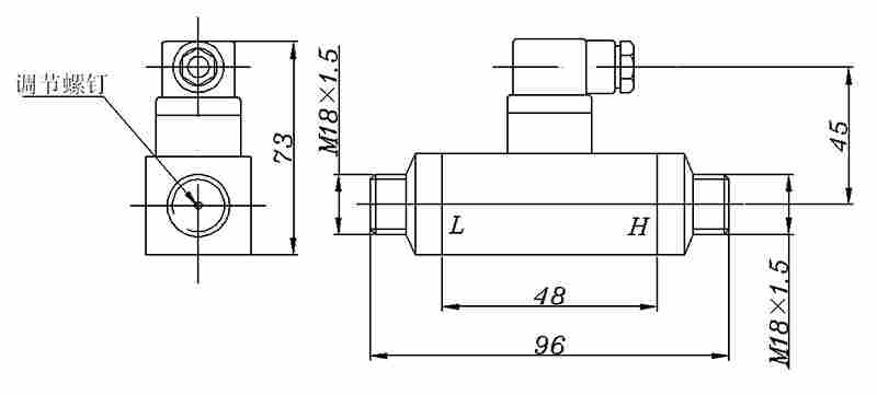
外形尺寸及安装尺寸(单位:mm)

YWK-7DD差压控制器 

 

电气接线图

YWK-7DD差压控制器 

单刀双掷微动开关作用过程:

接线端1-3压力上升至上切换值时接通,

接线端1-2压力上升至上切换值时断开。

上一篇:鄂州内支撑盲管厂家发货-值得信赖...
下一篇:鹤壁排水盲管附近厂家/派送直达2...