宁波秉圣工业技术有限公司是一家高新技术服务企业,2019年成立至今,公司秉承"共赢,高效,诚信"的发展理念高速发展,目前已经是Bosch、、上海电气正式授权合作伙伴;目前已经是宁波舟山港集团、中银电池集团、兰石集团、704所,长控所等行业客户正式供应商。

R901382368 4WRPEH6C5B40L-3X/M/24A1
R901382350 4WRPEH6C3B40L-3X/M/24F1
R901382331 4WRPEH6C4B12L-3X/M/24F1
R901382313 4WRPEH6C3B24L-3X/M/24A1
R901382346 4WRPEH6C4B24L-3X/M/24A1
R901382319 4WRPEH6C4B40L-3X/M/24A1
R900927230 4WREE10E752X/G24K31/A1V
R901496430 4WREE6E32-3X/V/24A1
R901526548 4WREE6E16J-30/M/24A1
R900954107 4WRE10W75-2X/G24K4/V
R900953729 4WRE6W1-08-2X/G24K4/V
R901496434 4WREE6E08-3X/V/24F1
R901517463 4WREE6W1-16-3X/V/24A1
R901382315 4WRPEH6C3B40L-3X/M/24A1
R901493886 4WRPEH10C3B100L-3X/M/24A1
R901382313 4WRPEH6C3B24L-3X/M/24A1
R901382346 4WRPEH6C4B24L-3X/M/24A1
R900927230 4WREE10E752X/G24K31/A1V
R901496430 4WREE6E32-3X/V/24A1

是一种德国rexroth公司的比例阀,采用数字化的比例控制技术,可以实现的流量、压力和位置控制。它采用优化的液压比例阀设计,具有高的静态和动态响应性能,能够快速响应系统指令,实现*控制。此外,它还采用了*的阀芯设计,具有*的耐磨性和长寿命特点。该比例阀还具有较高的可靠性和安全性,采用了*的故障检测和保护功能,能够自动诊断故障并及时报警,保障设备和工人的安全。
具体来说,4WRPEH6C3B40L-3X/M/24A1是一种电液比例控制阀,由先导级和主级组成。先导级采用低功率的导阀,对先导级进行控制;主级是由主阀芯和主阀体组成的液动换向阀。该比例阀的公称通径为6mm,*工作压力为210bar,*流量可达40L/min。其安装方式为M型安装板,适配于欧标安装板尺寸为24A1。


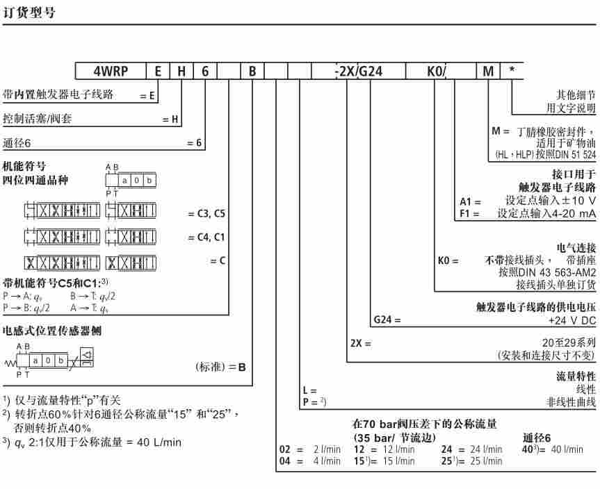
"4":代表该比例阀是四通阀,即具有四个连接口。
"WRPEH":这是该比例阀的系列名称,表示它是一种用于高动态响应应用的电液比例控制阀。
"6":代表该比例阀的公称通径为6mm。
"C3":表示该比例阀的流量特性为近似等百分比,3表示近似等百分比特性。
"B":代表该比例阀的先导级类型为带偏压的电流衰减型。
"40":表示该比例阀的*流量可达40L/min。
"L":表示该比例阀采用低功率的导阀进行控制。
"-3X":表示该比例阀具有三位控制机能,即控制系统的输出状态可以在三位之间切换或连续变化。
"/M":表示该比例阀的安装方式为M型安装板。
"/24A1":表示该比例阀适配于欧标安装板尺寸为24A1。
4WRPEH6C3B40L-3X/M/24A1是一个具有高动态响应性能、近似等百分比流量特性、低功率导阀控制、三位控制机能、M型安装板安装、欧标24A1适配的六通四路电液比例控制阀。

1.采用优化的液压比例阀设计,具有高的静态和动态响应性能,能够快速响应系统指令,实现*控制;
2.采用了*的阀芯设计,具有*的耐磨性和长寿命特点;
3.具有较高的可靠性和安全性,采用了*的故障检测和保护功能,能够自动诊断故障并及时报警,保障设备和工人的安全1。

流量控制:能通过改变流体通道的截面积,来调整流量的大小。
压力控制:能通过调整液体压力,实现对系统压力的控制。
实现*运动控制:能够根据输入信号来调整输出流量的比例,控制系统的工作压力和流量,使系统实现更加*的运动控制。
液压比例阀的工作原理是利用液体介质流动时的能量平衡关系来进行控制的,
即利用液体的压强差(帕斯卡定律),在一定的流量下使出口压力保持恒定 。
液压比例阀由两部分组成,分别是阀芯和阀体。阀芯上有若干个圆孔,阀体上也有若干个圆孔,这些圆孔是对应排列的。
当阀芯上的圆孔与阀体上的圆孔重合时,就相当于一个完整的通道被打开,液体可以流过;
当阀芯上的圆孔与阀体上的圆孔错开时,就相当于通道被关闭,液体无法流过


宁波秉圣工业技术有限公司位于浙江宁波市,主营力士乐、派克、穆格、EMG、哈威、威格士、阿托斯、布赫、SUNFAB等。
该公司是*采购欧美原装液压件,国内*的原装进口液压电子气动过滤MRO供应商,有需要可以拨打咨询服务热线:请百度搜索秉圣刘工。