SICK 条码扫描器能助您加快物流与自动化速度。的读取性能即使在条码不清晰或受损的情况下也能保证过程正常运行。SICK 的条码扫描器扫描频率高,因此过程速度也快。其极高的联网性与操作便捷性也能让您在运行过程中获得优势。紧凑的连接技术为您节约空间和成本。SICK 条码阅读器产品系列为您提供针对每种任务设置的正确解决方案。
德国西克SICK施克固定式条码阅读器 苏州办事处
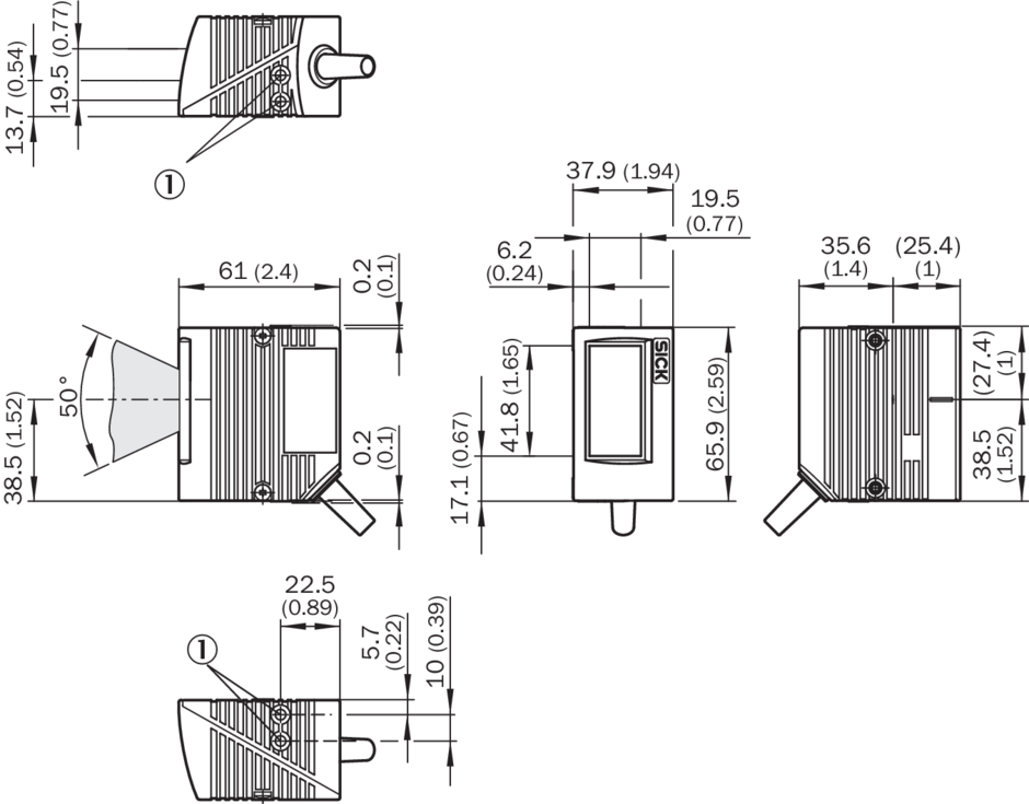
产品系列 CLV61x 由紧凑、高性能的条形码扫描仪组成。为了为所有应用情况提供佳解决方案,提供不同的变型(CAN、现场总线)。变型 CLV615 现场总线专为内部物流的需求而研发。借助对输送带上容器识别的优化读取范围以及与可直观操作的 SOPAS 用户界面的组合,可简单、快速地集成至您的输送系统。可选配的连接技术,例如 CDF600-2,能够简单地连接至您的控制系统以及控制环境中的直接配置。借助可选配的参数克隆模块,在故障情况下也能快速地更换扫描仪 – 无需通过笔记本/电脑再次设置参数。 德国西克SICK施克固定式条码阅读器 苏州办事处

联系人:秦远康
电话:
手机: