西门子销售中心6ES7 331-7HF01-0AB0
西门子销售中心6ES7 331-7HF01-0AB0
西门子销售中心6ES7 331-7HF01-0AB0
![]() | SIMATIC S7-300,模拟输入 SM 331,电位隔离, 8AE,aufl. 14Bit,0,052ms/通道 电流,电压 报警,诊断,1x 20极, 适合 f. taktsynchr. 运行 verbesserte 总线周期时间 den Taktsynchr. 运行 |
_______________________
SIEMENS(西门子销售中心)
上海朕锌电气设备有限公司
联系人:万紫云(销售经理)
手 机:(微信同步)
Q Q:2779823058 zx-plc.com )
座 机:
______________________________________
上海朕锌电气设备有限公司是一家从事西门子工业自动化产品和数控系统销售、技术服务及培训的工程服务公司。
销售代理西门子WINCC组态软件,西门子PLC编程软件,西门子PLC,S7-200CN/S7-200/S7-300/S7-400/S7-1200/(6ES7/6GK/6AV/6FC/6SN/6FX/6SE/6RA/6DD/7ML/7MH/7KM/7MF/3RV/3RH/3TF)西门子PROFIBUS-DP总线,RS485总线接头,CP网卡,变频器,触摸屏,低压电器,数控伺服备件。



SINAMICS V20 变频器,框架型号 FSAA、FSAB、FSA、FSB、FSC、FSD 和 FSE
,由于机器设备制造领域中的应用日益增多,需要提供具体的自动化与驱动解决方案,以便无需满足太高相关要求就能将简单运动序列实现自动化。
SINAMICS V20 是西门子提供的具有基本性能的紧凑性变频器,可针对此类应用提供简单且经济有效的驱动解决方案。SINAMICS V20 调试迅速,易于操作,坚固耐用且经济高效,从而在同类产品中独树一帜。
该款变频器有七种尺寸可供选择,输出功率覆盖 0.12 kW ~ 30 kW。
组态、调试和运行成本必须保持在尽可能低的水平。使用 SINAMICS V20,您可以实现想要的目标。为提高能效,该变频器采用了一种控制技术,用来通过自动磁通降低来取得佳能效。不仅如此,它还可显示实际电能消耗量,并具有其它集成节能功能。这样就能够大幅削减能耗。
额定功率1) | 输出电流 IH 2) | 风机 | 机座号 | SINAMICS V20 | SINAMICS V20 | |
|---|---|---|---|---|---|---|
kW | [hp] | A |
|
| 订货号 | 订货号 |
200 V ... 240 V 1 AC 4) | ||||||
0.12 | 0.16 | 0.9 | – | FSAA | 6SL3210-5BB11-2UV1 | 6SL3210-5BB11-2BV1 |
0.25 | 0.33 | 1.7 | – | FSAA | 6SL3210-5BB12-5UV1 | 6SL3210-5BB12-5BV1 |
0.37 | 0.5 | 2.3 | – | FSAA | 6SL3210-5BB13-7UV1 | 6SL3210-5BB13-7BV1 |
0.55 | 0.75 | 3.2 | – | FSAB | 6SL3210-5BB15-5UV1 | 6SL3210-5BB15-5BV1 |
0.75 | 1.0 | 4.2 | – | FSAB | 6SL3210-5BB17-5UV1 | 6SL3210-5BB17-5BV1 |
1) 230 V 1 AC 设备的额定功率取决于输出电流 IH。输出电流 IH 取决于高过载 (HO) 时的负载持续率:150 % IH 60 s, 循环时间 300 s。
2)输出电流 IH 基于高过载 (HO) 的占空比。150 % IH 60 s, 循环时间 300 s。
3)EN 61800-3 类别 C1, 一类环境(住宅、商用)。FSAA 和 FSAB 的屏蔽电机电缆大长度 5 m,带或不带外部进线滤波器。
4) 单相设备也可连接到三相 230 V 供电系统的两相。下面提供了详细信息:http://support.industry.siemens.com/cs/document/109476260
额定功率1) | 输出电流 IH 2) | 风机 | 机座号 | SINAMICS V20 | SINAMICS V20 | |
|---|---|---|---|---|---|---|
kW | [hp] | A |
|
| 订货号 | 订货号 |
200 V ... 240 V 1 AC 4) | ||||||
1.1 | 1.5 | 6 | 1 | FSB | 6SL3210-5BB21-1UV0 | 6SL3210-5BB21-1AV0 |
1.5 | 2.0 | 7.8 | 1 | FSB | 6SL3210-5BB21-5UV0 | 6SL3210-5BB21-5AV0 |
2.2 | 3.0 | 11 | 1 | FSC | 6SL3210-5BB22-2UV0 | 6SL3210-5BB22-2AV0 |
3.0 | 4.0 | 13.6 | 1 | FSC | 6SL3210-5BB23-0UV0 | 6SL3210-5BB23-0AV0 |
1) 230 V 1 AC 设备的额定功率取决于输出电流 IH。输出电流 IH 取决于高过载 (HO) 时的负载持续率:150 % IH 60 s, 循环时间 300 s。
2)输出电流 IH 基于高过载 (HO) 的占空比。150 % IH 60 s, 循环时间 300 s。
3)EN 61800-3 类别 C2, 一类环境(住宅、商用)。FSB 到 FSC 的电机电缆大长度为 25 m。
4) 单相设备也可连接到三相 230 V 供电系统的两相。下面提供了详细信息:http://support.industry.siemens.com/cs/document/109476260
额定功率1) | 输出电流 IL 2) | 功率取决于输出电流 IH 3) | 输出电流 IH 3) | 风机 | 机座号 | SINAMICS V20 | SINAMICS V20 | ||
|---|---|---|---|---|---|---|---|---|---|
400 V/480 V | 400 V/480 V | ||||||||
kW | [hp] | A | kW | [hp] | A | 订货号 | 订货号 | ||
380 V ... 480 V 3 AC | |||||||||
0.37 | 0.5 | 1.3/1.3 | 0.37 | 0.5 | 1.3/1.3 | – | FSA | 6SL3210-5BE13-7UV0 | 6SL3210-5BE13-7CV0 |
0.55 | 0.75 | 1.7/1.7 | 0.55 | 0.75 | 1.7/1.7 | – | FSA | 6SL3210-5BE15-5UV0 | 6SL3210-5BE15-5CV0 |
0.75 | 1.0 | 2.2/2.2 | 0.75 | 1.0 | 2.2/2.2 | – | FSA | 6SL3210-5BE17-5UV0 | 6SL3210-5BE17-5CV0 |
1.1 | 1.5 | 3.1/3.1 | 1.1 | 1.5 | 3.1/3.1 | 1 | FSA | 6SL3210-5BE21-1UV0 | 6SL3210-5BE21-1CV0 |
1.5 | 2.0 | 4.1/4.1 | 1.5 | 2.0 | 4.1/4.1 | 1 | FSA | 6SL3210-5BE21-5UV0 | 6SL3210-5BE21-5CV0 |
2.2 | 3.0 | 5.6/4.8 | 2.2 | 3.0 | 5.6/4.8 | 1 | FSA | 6SL3210-5BE22-2UV0 | 6SL3210-5BE22-2CV0 |
3.0 | 4.0 | 7.3/7.3 | 3.0 | 4.0 | 7.3/7.3 | 1 | FSB | 6SL3210-5BE23-0UV0 | 6SL3210-5BE23-0CV0 |
4.0 | 5.0 | 8.8/8.24 | 4.0 | 5.0 | 8.8/8.24 | 1 | FSB | 6SL3210-5BE24-0UV0 | 6SL3210-5BE24-0CV0 |
5.5 | 7.5 | 12.5/11 | 5.5 | 7.5 | 12.5/11 | 1 | FSC | 6SL3210-5BE25-5UV0 | 6SL3210-5BE25-5CV0 |
7.5 | 10 | 16.5/16.5 | 7.5 | 10 | 16.5/16.5 | 2 | FSD | 6SL3210-5BE27-5UV0 | 6SL3210-5BE27-5CV0 |
11.0 | 15 | 25/21 | 11.0 | 15 | 25/21 | 2 | FSD | 6SL3210-5BE31-1UV0 | 6SL3210-5BE31-1CV0 |
15.0 | 20 | 31/31 | 15.0 | 20 | 31/31 | 2 | FSD | 6SL3210-5BE31-5UV0 | 6SL3210-5BE31-5CV0 |
22 | 30 | 45/40 | 18.5 | 25 | 38/34 | 2 | FSE | 6SL3210-5BE31-8UV0 | 6SL3210-5BE31-8CV0 |
30 | 40 | 60/52 | 22 | 30 | 45/40 | 2 | FSE | 6SL3210-5BE32-2UV0 | 6SL3210-5BE32-2CV0 |
1) 400 V 3 AC 设备的额定功率取决于输出电流 IL。输出电流 IL 基于低过载 (LO) 时的负载持续率:110 % IL 60 s, 循环时间 300 s。
2)输出电流 IL 基于低过载 (LO) 时的负载持续率。110 % IL 60 s, 循环时间 300 s。
3) 输出电流 IH 基于高过载 (HO) 的占空比。150 % IH 60 s, 循环时间 300 s。
4) EN 61800-3 类别 C3,二类环境(工业)。FSA 的屏蔽电机电缆大长度为 10 m;FSB 到 FSD 的大电缆长度为 25 m;FSE 的大电缆长度为 50 m。为了达到类别 C2 或在使用 FSA 时也能使用 25 m 电机屏蔽电缆,必须使用带外部进线滤波器的无滤波型变频器。

推入式和墙壁安装 - 可并排安装
结构紧凑,可使用更小的机柜
通过推入式安装,更容易对机柜进行冷却
开箱即可使用,无需其它选件
在内置的精简型操作员面板 (BOP) 上执行基本操作
框架型号 FSAA 和 FSAB (230 V 1 AC) 与相同功率范围内的框架型号 FSA 相比小 24 %
使用一条电缆将 SINAMICS V20 与终端处的 USS 和 Modbus RTU 相连
便于集成到现有系统中
便于集成到小型自动化系统中
通过标准库和连接宏,调试更方便
用来与控制器进行通信的 Modbus RTU 参数设置具备非常大的灵活性
简便连接到控制系统 (SIMATIC PLC)
可使用动态制动来提高制动性能
变频器 ≥ 7.5 kW 的变频器(底座尺寸 FSD 和 FSE)具有一个集成制动模块。在此情况下,可以直接连接制动电阻器。动态能量以热量形式在制动电阻器中散发,占空比可在 5 % 和 100 % 之间调节。
根据 EN 61800-3,框架型号为 FSAA 和 FSAB、带有集成式类别 C1 EMC 滤波器的 230 V 1 AC SINAMICS V20 可在住宅或商业区域中运行。FSAA 和 FSAB 设备适用于工业应用以及住宅和商业领域中的工业用途,如冷藏柜、健身设备、通风系统、工业洗衣机。
无需电源就能加载参数
使用参数加载器且在不使用电源的情况下,可方便地在各变频器之间传送参数设置。
需要较少技术支持
调试时间较短
产品经过预设参数后交付给客户
集成应用与连接宏
以简化 I/O 组态并进行相应设置
培训和调试时间缩短
集成和经过优化的应用程序设置
可以选择简单的连接和应用宏,而不是组态长而复杂的参数列表
可以避免由错误的参数设置引起的错误
通过“保持运行模式”
实现无中断运行这种功能可在电网不稳定时自动进行调整,从而提高生产率。
在电网状况不佳的情况下实现稳定运行
通过防止生产线中断提高生产率
通过灵活的故障/报警定义,调整与应用相关的响应
电压范围宽,具有的冷却设计,涂覆印刷电路板设计提高了变频器在恶劣环境中的耐用性
在电网电压波动时也能运行
电网电压的可靠运行:
200 V ... 240 V 1 AC (-10 %/+10 %) 1)
380 V ... 480 V 3 AC (-15%/ +10 %)
运行环境温度范围 -10°C 到 +40°C(高 +60°C,有降额)
运行和待机期间能耗降低
适用于 V/f、V2/f 的 ECO 模式
适用于 V/f、V2/f 的集成 ECO 模式可自动调整磁通以节省电能。能耗可用 kWh、CO2 甚至本国货币来显示。
低动态负载循环中的电能节约
告知终用户已节约的实际能量
休眠模式
仅在机器设备使用时,才激活变频器和电机
利用智能休眠节约能量
电机寿命延长
低转速下的泵磨损降低
针对泵/风机应用对 PLC 编程的时间缩短
直流耦合
采用具有相同额定功率的 SINAMICS V20 变频器的应用可共用一条公共直流总线以重复使用再生能量。
在使用耦合电机的应用中产生并节约能量
相同的变频器对可以佳方式共享资源
降低对能耗制动和外部组件的需求
集成电能流动监视
无需电能测量设备,监视电能消耗和节约。
直观的电能消耗和节约值,无需测量设备方面的额外投资
值可以显示为 kWh、CO₂ 或货币
对于低过载应用,SINAMICS V20 机架规格 FSE 具备良好的成本经济性
SINAMICS V20 机架规格 FSE 具有两种不同的占空比周期:
低过载 (LO):110 % IL 2) 60 s(循环时间:300 s)
重载 (HO):150 % IH 3) 60 s (循环时间:300 s)
由于过载循环较低,该变频器可达到较高输出电流和功率。
可以使用更小的变频器。
针对不同应用进行了优化设计:
低过载,用于低动态响应型应用(连续负荷)
高过载,用于高动态响应型应用(周期性负荷)
西门子的完整运动控制解决方案 – SINAMICS V20 和 SIMATIC
西门子面向一般运动控制应用,从单一来源提供全面的解决方案。由于 SIMATIC 控制器与 SINAMICS 驱动技术之间实现优相互作用(如“SINAMICS 应用示例”中所示),我们可为用户提供十分高效的系统。
随时可通入运行的应用示例,包括接线图、参数说明
将 SINAMICS 与 SIMATIC 连接的示例配置,包括硬件、软件和接线示例、提供的 SIMATIC S7 项目的安装说明、变频器参数设置和 HMI 示例项目
客户相关配置的基础
佳利用 TIA 的优点
通过“在线支持”网站免费下载。如需了解详细信息,请参见
http://siemens.com/sinamics-applications
1) 单相设备也可连接到三相 230 V 供电系统的两相。下面提供了详细信息:
http://support.industry.siemens.com/cs/document/109476260
2)额定输出电流 IL 基于低过载 (LO) 时的负载持续率。
3) 输出电流 IH 基于高过载 (HO) 的占空比。

典型应用 | ||
|---|---|---|
泵送、通风和压缩 | 其它优点 | |
![]() |
|
|
移动 | 其它优点 | |
![]() |
|
|
加工 | 其它优点 | |
![]() |
|
|


SINAMICS V20 选件
选件 | ||
1 | SINAMICS V20 BOP | 功能与集成式 BOP(精简型操作员面板)相同,但可用于远程安装。可通过转动滚轮来更改值和设定值。 |
2 | BOP 接口 | 变频器和 BOP 之间的连接 |
3 | BOP 电缆 | 供货范围内不包括该电缆。 |
4 | 参数加载器 | 可将多 100 个含有参数设置的参数组从存储卡写入变频器或从变频器保存到存储卡,无需将变频器与进线电源相连。 |
5 | SINAMICS SD 卡 | 存储卡,512 MB |
6 | 电源滤波器 |
|
7 | 电源电抗器 |
|
8 | 制动模块 |
|
9 | 制动电阻器 |
|
10 | 输出电抗器 | 更长的电机电缆:
|
11 | 屏蔽连接套件 |
|
12 | 标准熔断器 | 建议使用符合 IEC/UL 标准的熔断器 |
13 | 断路器 | 建议使用符合 IEC/UL 标准的断路器 |

功能特性 | 注释 |
连接宏和应用宏 | 设置参数组以简化调试
|
保持运行模式 | 通过单一参数设置获得用于保持电机运行的模式 - 启用 VDC max 控制器、运动缓冲、故障后重启、快速重启,禁用警告等 |
ECO 模式 | 经济模式 - 搜索高效的工作点 |
休眠模式 | 在不执行任何操作时,变频器自动关闭;需要执行操作时,再次自动启动。 |
PID 控制器 | 具有自动调谐功能的集成 PID 控制器 |
运动缓冲(Vdcmin 控制器) | 通过能量再生保持低直流电压以保持运行 |
Vdcmax 控制器 | 自动改变斜坡下降时间/减速时间 |
Imax 控制器 | 自动改变斜坡上升时间以避免产生过流 |
自动重启 | 电源在故障之后恢复时,重启变频器自动重启。 自动确认所有故障,再次接通变频器。 |
快速重启 | 允许变频器切换至旋转中的电机。 |
能耗监视 | 对照使用与电源相连的电机的情况,显示所节约的电能与成本的简单估算值 |
50/60 Hz 定制 | 方便地选择 50 Hz(欧洲、)/60 Hz(美国)运行方式 |
V/f 和 V2/f | V/f 控制对需要改变感应电机转速的几乎所有应用都非常适合。 V2/f 适用于离心式风机/泵。 |
FCC | 保持电机磁通电流以获得更高效率 |
可编程的 V/f 坐标 | 可任意调整 V/f 特性,如同步电机的转矩性能 |
JOG | 移动电机以测试方向,或将负载移动到特定位置。 如果 BOP 切换到点动 (JOG) 模式,则按 BOPO 的启动按钮会将电机运转至点动 (JOG) 频率。 松开启动按钮会将电机停止。 |
直流制动 | 将在恒速下运转且需要较长时间才能减速停止的电机停止(例如,离心机、电锯、磨床和传送带)。 |
机械式抱闸控制 | 电机抱闸可防止电机在变频器已关闭之后意外转动。 变频器具有用于控制电机抱闸的内部逻辑。 |
USS | 通用串行接口协议 |
Modbus RTU | Modbus RTU 通信可通过 RS485 连接实现 |
转矩模式 | 将大转矩提升功能用于起动高转动惯量的应用 |
水锤起动模式 | 起动时通过多个转矩脉冲来起动难于起动或“卡住”的负载 |
堵塞清理模式 | 通过多次反转功能来清理堵塞的泵 |
内置和外置 BOP 上具有基于参数的简易菜单 | 可方便地进行选择以显示值、编辑参数、执行变频器设置 |
通过简单的文本菜单进行设置 | 在 7 段 LED 显示屏上,以简短文本形式显示参数值。 |
电机频率显示刻度 | 用户可针对特殊应用设置显示刻度,例如,不显示 Hz,而是显示与特定应用相关的值,如每分钟加仑数、每分钟土豆数等。 |
定制参数默认值 | 客户或 OEM 可以设置自己的“不可擦除”默认值(可在特殊模式下擦除) |
逆变器的故障状态 | 记录故障信息(含运行数据)
|
已更改参数的列表 | 本参数表仅列出启动该过滤器后被用户更改过的参数。 |
皮带故障检测 | 检测负载转矩以避免电机的机械连接故障、过载、堵转或空载运行。 |
缺相检测 | 检测是否缺相并提供相应保护 |
气蚀保护 | 防止气蚀对泵造成破坏 |
冷凝保护 | 自动向电机施加直流电流以防止冷凝 |
防冻保护 | 自动转动电机,以防止在温度下降至或低于冰点时液体发生冻结。 |
电机级组 | 自动控制和分级控制多台电机 |
双斜坡 | 对于某些应用,可以切换斜坡 |
可编程的固定频率设定值 | 可以定义 16 个固定频率,并可通过数字量输入或通信对频率进行切换。 |
变频器数据集 (DDS) | 有 3 个电机与负载参数组。用户可以切换参数组以适合相应的电机与应用。 |
命令数据集 (CDS) | 有 3 个设定值与命令参数组。 用户可以切换参数组以适合相应控制系统。 |
灵活的提升控制 | 提高输出电压以补充电阻损耗,或提高输出转矩。 |
可跳过的频率带宽 | 可以定义 1 到 4 个频率以避免机械共振的影响并抑制可调跳变频率带宽内的频率。 |
2 线制/3 线制控制 | 由于具有丰富的设置选项,在必须将变频器集成到现有应用的情况下,可对装置或系统一侧的现有控制方法进行模拟。 |


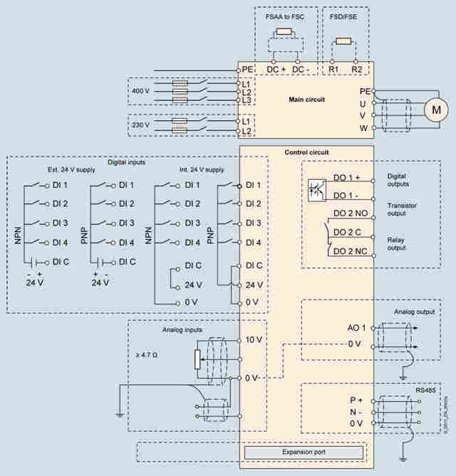
SINAMICS V20 接线图

| SINAMICS V20 |
|---|---|
功率范围 | 230 V 1 AC:0.12 ~ 3.0 kW (0.16 ~ 4 hp) |
功率因数 cos φ | ≥ 0.95 |
功率因数 λ | 0.72 |
电源电压 | 230 V 1 AC:200 V ~ 240 V 1 AC (-10 % ~ +10 %)1) |
大输出电压 | 输入电压的 100 % |
线路频率 | 50 Hz/60 Hz |
电网类型 |
|
过载能力 | |
| 重载 (HO): |
| 低过载 (LO): 高过载 (HO): |
输出频率 | 0 ~ 550 Hz,分辨率:0.01 Hz |
脉冲频率 | 2 ~ 16 kHz |
效率 | 98 % |
可编程的固定频率设定值 | 16 |
模拟量输入 | AI1:双极电流/电压模式 |
| 12 位 |
模拟量输出 | AO1 电流输出 |
数字量输入 | DI1 ~ DI4:光隔离 |
| 15 mA |
数字量输出 | DO1:晶体管输出 |
集成接口 | |
| RS485 |
| USS、Modbus RTU |
扩展接口 | BOP 接口模块,参数装载器 |
控制模式 | |
| ✓ |
| ✓ |
功能 | |
易于使用 | |
自动重启 | ✓ |
参数整体复制 | ✓ |
变频器数据集 (DDS) | ✓ (3) |
命令数据集 (CDS) | ✓ (3) |
JOG | ✓ |
预组态的连接宏和应用宏 | ✓ |
内置和外置 BOP 上具有基于参数的简易菜单 | ✓ |
通过简单的文本菜单进行设置 | ✓ |
USS | ✓ |
Modbus RTU | ✓ |
电机频率显示刻度 | ✓ |
定制参数默认值 | ✓ |
能耗监视 | ✓ |
集成 MPPT(大功率点跟踪器)控制器 | ✓ |
已更改参数的列表 | ✓ |
变频器故障状态 | ✓ |
应用举例 | |
保持运行模式 | ✓ |
快速重启 | ✓ |
PID 控制器 | ✓ |
运动缓冲(Vdcmin 控制器) | ✓ |
可跳过的频率带宽 | 4 |
制动功能 | |
| ✓ |
| ✓ |
| ✓ |
2 线制/3线制控制 | ✓ |
机械式抱闸控制 | ✓ |
转矩模式 | ✓ |
水锤起动模式 | ✓ |
堵塞清理模式 | ✓ |
休眠模式 | ✓ |
电机级组 | ✓ |
双斜坡 | ✓ |
摆动功能 | ✓ |
本公司代理系列如下
CPU PLC模块(西门子代理)销售西门子S7/200/300/400/1200/1500PLC/变频器/人机界面/触摸屏/西门子通讯电缆/现场总线、
西门子电缆 拖缆 网线 DP接头
【一诺千金诚信交易】【长期销售、安全稳定】
【称心满意、服务动力】【真诚面对、沟通无限】
【质量、客户满意】
西门子 知其巧 用其妙
真诚对待您的每一次来电
6ES72110AA230XB0 SIMATIC S7-200 CPU211,DC/DC/DC,6输入/4输出
6ES72110BA230XB0 SIMATIC S7-200 CPU211,AC/DC/Rly,6输入/4输出
6ES72121AB230XB0 SIMATIC S7-200 CPU222,DC/DC/DC,8输入/6输出
6ES72121BB230XB0 SIMATIC S7-200 CPU222,AC/DC/Rly,8输入/6输出
6ES72141AD230XB0 SIMATIC S7-200 CPU224,DC/DC/DC,14输入/10输出
6ES72141BD230XB0 SIMATIC S7-200 CPU224,AC/DC/Rly,14输入/10输出
6ES72142AD230XB0 SIMATIC S7-200 CPU224XP,DC/DC/DC,14输入/10输出,集成2AI/1AO
6ES72142AS230XB0 SIMATIC S7-200 CPU224XPsi,DC/DC/DC,14输入/10输出,集成2AI/1AO
6ES72142BD230XB0 SIMATIC S7-200 CPU224XP,AC/DC/Rly,14输入/10输出(NPN输出),集成2AI/1AO
6ES72162AD230XB0 SIMATIC S7-200 CPU226,DC/DC/DC,24输入/16输出
6ES72162BD230XB0 SIMATIC S7-200 CPU226,AC/DC/Rly,24输入/16输出
6ES72121AB230XB8 S7-200CN CPU222,DC/DC/DC,8输入/6输出
6ES72121BB230XB8 S7-200CN CPU222,AC/DC/Rly,8输入/6输出
6ES72141AD230XB8 S7-200CN CPU224,DC/DC/DC,14输入/10输出
6ES72141BD230XB8 S7-200CN CPU224,AC/DC/Rly,14输入/10输出
6ES72142AD230XB8 S7-200CN CPU224XP,DC/DC/DC,14输入/10输出,集成2AI/1AO
6ES72142AS230XB8 S7-200CN CPU224XPsi,DC/DC/DC,14输入/10输出,集成2AI/1AO
6ES72142BD230XB8 S7-200CN CPU224XP,AC/DC/Rly,14输入/10输出(NPN输出),集成2AI/1AO
6ES72162AD230XB8 S7-200CN CPU226,DC/DC/DC,24输入/16输出
6ES72162BD230XB8 S7-200CN CPU226,AC/DC/Rly,24输入/16输出
6ES72211BF220XA0 SIMATIC S7-200, EM221 数字量输入模块, 8输入24V DC
6ES72211BH220XA0 SIMATIC S7-200, EM221 数字量输入模块, 16输入24V DC
6ES72211EF220XA0 SIMATIC S7-200, EM221 数字量输入模块, 8输入 交流120/230V AC
6ES72221BD220XA0 SIMATIC S7-200, EM222 数字量输出模块,4输出24V DC 5A
6ES72221BF220XA0 SIMATIC S7-200, EM222 数字量输出模块,8输出24V DC
6ES72221EF220XA0 SIMATIC S7-200, EM222 数字量输出模块,8输出 交流120/230V AC
6ES72221HD220XA0 SIMATIC S7-200, EM222 数字量输出模块,4输出继电器 10A
6ES72221HF220XA0 SIMATIC S7-200, EM222 数字量输出模块,8输出继电器
6ES72231BF220XA0 SIMATIC S7-200, EM223 数字量输入/输出模块,4输入 24V DC/4输出 24V DC
6ES72231BH220XA0 SIMATIC S7-200, EM223 数字量输入/输出模块,8输入 24V DC/8输出 24V DC
6ES72231BL220XA0 SIMATIC S7-200, EM223 数字量输入/输出模块,16输入 24V DC/16输出 24V DC
6ES72231BM220XA0 SIMATIC S7-200, EM223 数字量输入/输出模块,32输入 24V DC/32输出 24V DC
6ES72231HF220XA0 SIMATIC S7-200, EM223 数字量输入/输出模块,4输入 24V DC/4输出继电器
6ES72231PH220XA0 SIMATIC S7-200, EM223 数字量输入/输出模块,8输入 24V DC/8输出继电器
6ES72231PL220XA0 SIMATIC S7-200, EM223 数字量输入/输出模块,16输入 24V DC/16输出继电器
6ES72231PM220XA0 SIMATIC S7-200, EM223 数字量输入/输出模块,32输入 24V DC/32输出继电器
6ES72310HC220XA0 SIMATIC S7-200, EM231 模拟量输入模块,4输入
6ES72310HF220XA0 SIMATIC S7-200, EM231 模拟量输入模块,8输入
6ES72317PB220XA0 SIMATIC S7-200, EM231 热电阻模块,2输入
6ES72317PC220XA0 SIMATIC S7-200, EM231 热电阻模块,4输入
6ES72317PD220XA0 SIMATIC S7-200, EM231 热电偶模块,4输入
(西门子代理商)
SIEMENS上海朕锌电气设备有限公司
销售电话 (微信同步)联系人万女士
QQ 2779823058 转真
电话 zx-plc.com
微信 W
公司网址http://zhenxindianqi.cn/
6ES72317PF220XA0 SIMATIC S7-200, EM231 热电偶模块,8输入
6ES72320HB220XA0 SIMATIC S7-200, EM232 模拟量输出模块,2输出
6ES72320HD220XA0 SIMATIC S7-200, EM232 模拟量输出模块,4输出
6ES72350KD220XA0 SIMATIC S7-200, EM235 模拟量输入输出模块,4输入/1输出
6ES72531AA220XA0 SIMATIC S7-200, EM253 定位模块
6ES72770AA220XA0 SIMATIC S7-200, EM277 Profibus-DP 从站模块
6ES72211BF220XA8 S7-200CN, EM221 数字量输入模块, 8输入24V DC
6ES72211BH220XA8 S7-200CN, EM221 数字量输入模块, 16输入24V DC
6ES72221BF220XA8 S7-200CN, EM222 数字量输出模块,8输出24V DC
6ES72221HF220XA8 S7-200CN, EM222 数字量输出模块,8输出继电器
6ES72231BF220XA8 S7-200CN, EM223 数字量输入/输出模块,4输入 24V DC/4输出 24V DC
6ES72231BH220XA8 S7-200CN, EM223 数字量输入/输出模块,8输入 24V DC/8输出 24V DC
6ES72231BL220XA8 S7-200CN, EM223 数字量输入/输出模块,16输入 24V DC/16输出 24V DC
6ES72231BM220XA8 S7-200CN, EM223 数字量输入/输出模块,32输入 24V DC/32输出 24V DC
6ES72231HF220XA8 S7-200CN, EM223 数字量输入/输出模块,4输入 24V DC/4输出继电器
6ES72231PH220XA8 S7-200CN, EM223 数字量输入/输出模块,8输入 24V DC/8输出继电器
6ES72231PL220XA8 S7-200CN, EM223 数字量输入/输出模块,16输入 24V DC/16输出继电器
6ES72231PM220XA8 S7-200CN, EM223 数字量输入/输出模块,32输入 24V DC/32输出继电器
6ES72310HC220XA8 S7-200CN, EM231 模拟量输入模块,4输入
6ES72317PB220XA8 S7-200CN, EM231 热电阻模块,2输入
6ES72317PD220XA8 S7-200CN, EM231 热电偶模块,4输入
6ES72320HB220XA8 S7-200CN, EM232 模拟量输出模块,2输出
6ES72350KD220XA8 S7-200CN, EM235 模拟量输入输出模块,4输入/1输出
6EP13321LA00 PS207电源,输入: 100-240 V AC (110-300 V DC),输出: 24 V DC/2.5 A
6EP13321LA10 PS207电源,输入: 100-240 V AC (110-300 V DC),输出: 24 V DC/4 A
6ES72906AA200XA0 SIMATIC S7-200, 扩展电缆, 0.8米
6ES72918BA200XA0 SIMATIC S7-200, 电池卡
6ES72918GF230XA0 SIMATIC S7-200, 64K存储卡
6ES72918GH230XA0 SIMATIC S7-200, 256K存储卡
6ES72971AA230XA0 SIMATIC S7-200, CPU221/222时钟卡(包括电池卡功能)
6ES79013CB300XA0 SIMATIC S7-200, PC/PPI 电缆, RS232/RS485转换,带光电隔离,大187.5K波特率,支持多主站
6ES79013DB300XA0 SIMATIC S7-200, PC/PPI 电缆, USB/RS485转换,带光电隔离,大187.5K波特率,支持多主站
6AV66400AA000AX0 文本显示器, 4行字符显示
我公司西门子销售 PLC CPU 变频器 楼宇
(西门子代理商)