德国SICK施克增量型编码器机械式参数
1060796 DBS36E-BBAJ02500

DBS36E-BBEJ02500
性能
每转的脉冲 2,500
测量步距 90° 电/每圈脉冲数
测量步距偏差 ± 18° /每转的脉冲
误差限值 ± 54° /每转的脉冲
占空比 ≤ 0.5 ± 5%
接口
通讯接口 增量式
通信接口详情 HTL / Push pull
信号通道数量 6 通道
初始化时间 < 3 ms
输出频率 ≤ 300 kHz
负载电流 ≤ 30 mA
功耗 ≤ 0.5 W (无负荷)
启动转矩 + 0.5 Ncm (+20 °C)
工作转矩 0.4 Ncm (+20 °C)
允许静态/动态轴向轴位移 ± 0.5 mm / ± 0.2 mm 2)
允许静态/动态径向轴位移 ± 0.3 mm / ± 0.1 mm 2)
工作转速 6,000 min⁻¹ 3)
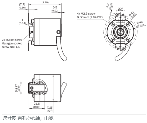
技术尺寸图

*工作转速 ≤ 8,000 min⁻¹ 4)
转动惯量 0.8 gcm²
轴承使用寿命 2 x 10^9 圈
角加速度 ≤ 500,000 rad/s²
电气参数
连接类型 电缆, 8 芯, 通用, 0.5 m
供电电压 7 ... 30 V
参考信号,数量 1
参考信号,位置 90°, 电气,与 A 和 B 进行逻辑连接
极性反接保护 ✔
输出端短路保护 ✔ 1)
MTTFd:危险故障间隔时间 600 年 (EN ISO 13849-1) 2)
1) 只用当 Us 端和 GND 端正确连接时,短路保护才有效。.
2) 本产品是标准产品,而不是一个按照机械指令制作的安全部件。计算基于组件的额定负荷、40°C 的平均环境温度、8760 小时/年的使用频率。所有电子故障均被视为危险故障。详细信息请参见编号为 8015532 的文档.
机械参数
机械规格 盲孔空心轴
轴直径 8 mm 1)
重量 + 150 g (带连接电缆)
材料、轴 不锈钢
材料,法兰 铝
材料、外壳 铝
材料,电缆 PVC
德国SICK施克增量型编码器机械式参数
