35A-ACA-DEFJ-1JJ Mac直动式电磁阀技术性能
功能简介:
• 内部先导或外部先导,用于真空至电磁阀上的 30 PSI 主阀压力或
25 远程气动型号。 提供手动和机械操作员。
系列特点-远程空气先导操作阀这些空气版本具有:
• 用于空气/弹簧返回的大型检查蓄能器。
• 平衡阀芯不受排气背压或入口限制的影响。可插入 2 路操作。
• 用于润滑或非润滑服务。
系列特点-遥控空气先导,先导操作阀门
这些特殊的空气版本具有与远程空气先导操作相同的功能型号,
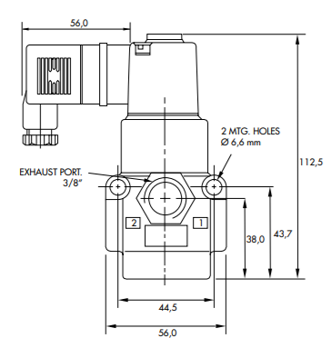
MAC 55 系列是由一个小型直动式平衡提升阀先导的三通平衡滑阀。这是一个用途极其广泛的阀门: 1. 可以转换为在真空中使用。2. 只需转动先导阀和阀体之间的适配器,即可从内部先导转换为外部先导功能。3. 通过拆下电磁先导组件,它也可以转换为远程气动阀——仅举几例。
• 真空应用:将真空源连接到端口#3,端口#1 打开到
大气,并在电磁先导操作型号上使用外部先导。 在远程空中试点模型,使用-RE。
• 选择器应用:将较高的压力输送到端口#1,将较低的压力输送到端口#3。
• 内部先导:用于所有型号的主阀压力为 30 至 150 PSI。 包括
阀体中的球阀和安装在外部先导端口中的 M5x0.8 塞子
• 获得的 MACSOLENOID® 在 AC 服务中具有不烧坏的特性。
• 平衡阀芯不受排气背压或入口限制的影响。
可插入 2 路操作。
• 一个大型检查式蓄能器,为先导和空气/弹簧返回提供一致的换档。
• 用于润滑或非润滑服务。
• 极快的响应和循环率。
• 各种类型的手动操作器和螺线管外壳。
• 可选低功率直流电磁阀,功率低至 1 瓦。
• 三通常开或常闭(电磁阀或远程空气)。
• 2 通(通过插入端口)常开或常闭(电磁阀或远程空气)。


35A-ACA-DEFJ-1JJ Mac直动式电磁阀技术性能
