AVENTICS安沃驰标准型气缸(R480060022)

技术信息
标准 ISO 15552
合格证书 ATEX 中可选
压缩空气连接 内螺纹
工作压力范围 1,5 ... 10 bar
低 / 高环境温度 -20 ... 80 °C
介质温度范围 -20 ... 80 °C
介质 压缩空气
颗粒大小 max. 50 µm
压缩空气中的含油量 0 ... 5 mg/m³
确定活塞推力的压力 6.3 bar
压力露点必须至少低于环境和介质温度 15 °C ,并且允许 的高温度为 3 °C 。
Ø25 非国际ISO 15552 标准
耐热型号(环境温度范围:- 10 °C - 120 °C )防尘刮环和密封件的材料为 PTFE。
40 mm接口 G 1/4双作用式带磁性活塞缓冲 气动,
可调节的活塞杆 外螺纹ATEX 中可选适用于食品行业可选耐热的
ISO 15552,系列 CCL-IS
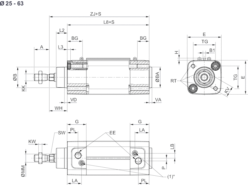
图片

实用原则 双作用式
缓冲 气动
可调节的
磁性销钉 带磁性活塞
活塞直径 40 mm
活塞杆螺纹 M12x1,25
标准化 ISO 15552
行程 200 mm
防尘圈 聚合酯
ATEX 中可选
压缩空气连接 G 1/4
压缩空气接口型号 内螺纹
抗温性 可选耐热的
材料
气缸管子 铝材, 阳极氧化处理
活塞杆 不锈钢
前端盖板 铝材, 阳极氧化处理
后盖 铝材, 阳极氧化处理
防尘圈 聚合酯
拉杆 不锈钢
规格

AVENTICS安沃驰标准型气缸(R480060022)
