SMC外部先导式气控阀VGA342R-04N常见问题解答


产品描述
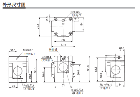
VGA342R 系列 外部先导式气控阀
可轻易切换成N.C.或N.O.模式
YSA4130-03- X59
YSA4130-04
YSA4130-04-H
YSA4130-04-HX59
VSA4130-04-X59
VSA4134- -00
VSA4134-00-X141

技术参数
接管口径 04 1/2
螺纹的种类 N NPT
使用流体 空气
配管种类 直接配管型
先导方式 外部先导式
主体可选项 标准
形式 单体阀
通口数 3
系列 VGA
阀体大小 300
*使用压力 0.9
*低使用压力 -0.1012
先导压力范围 0.2~0.9
环境温度及使用流体温度 -10~50℃

SMC气控阀在化工、塑料、铸造业中应用广泛,过去大都是人工操作。随着科学技术的发展,自动控制技术已广泛应用于各个生产领域,SMC三通气控阀就是在这种情况下诞生的。气控三通阀门可以通过电-气控制技术在生产过程中实现自动控制。
型号:
SYJA312-M3 SYJA5120-M5-F SYJA5420-M5 SYJA714-01 SYJA7320-01
SYJA312-M3-F SYJA512-M5 SYJA7120-01 SYJA714-02 SYJA7320-01F
SYJA314-M5 SYJA512-M5-F SYJA7120-01F SYJA7220-01 SYJA7340-01
SYJA3220-M3 SYJA5220-C4 SYJA7120-01-F SYJA7220-01F SYJA7420-01
SYJA322-M3 SYJA5220-C6 SYJA712-01 SYJA722-01 SYJA7440-01
SYJA322-M3-F SYJA5220-M5 SYJA712-01F SYJA722-01F SYJA7540-01
SYJA324-M5 SYJA522-M5 SYJA712-01-F SYJA722-01-F
SMC外部先导式气控阀VGA342R-04N常见问题解答
