PGS-1;PGS-2;PGS-3;PGS-4;PGS-5;PGS-6;PGS-7;PGS-8标准试块












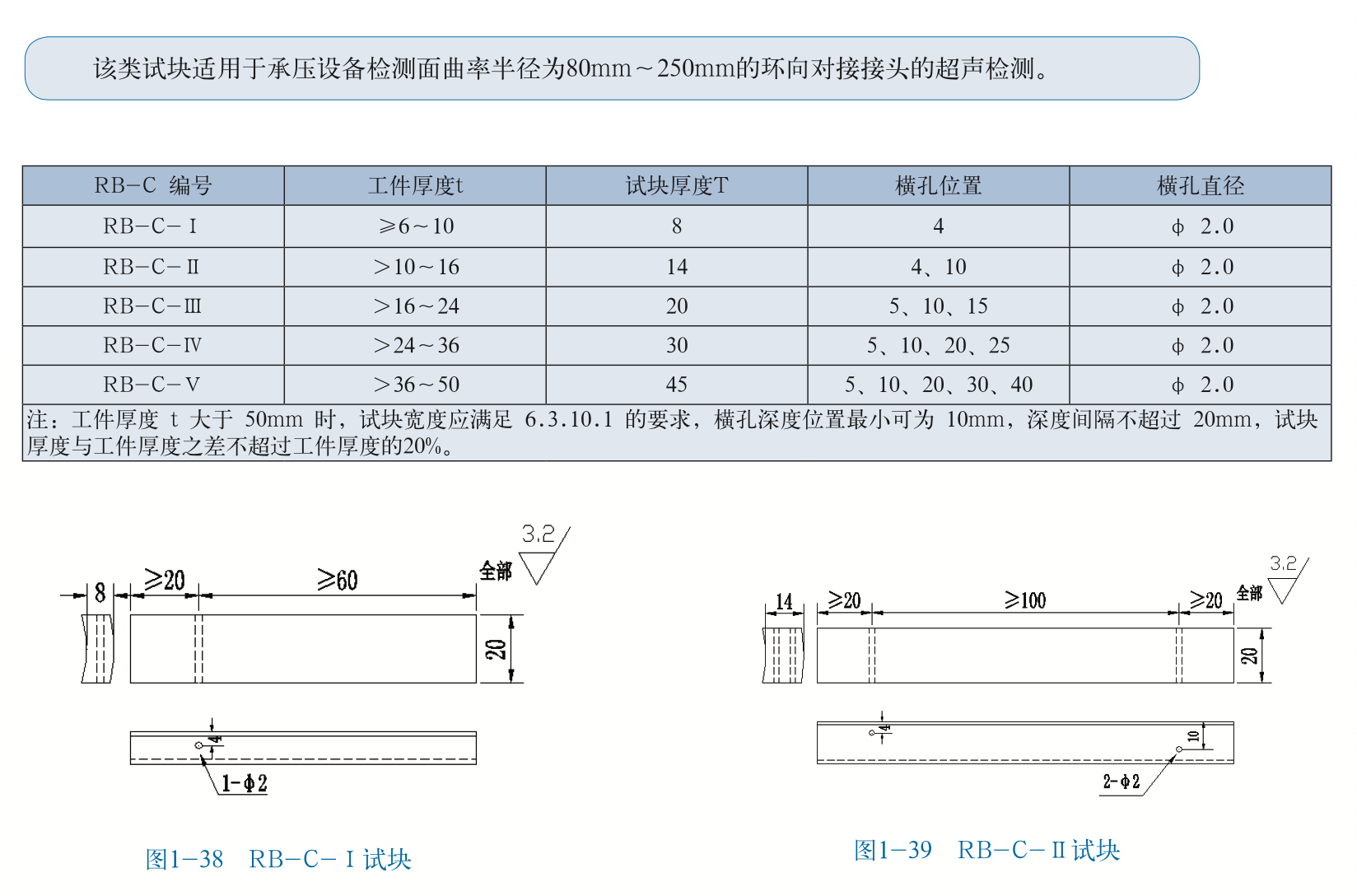
RB-C-I;RB-C-II;RB-C-III;RB-C-IV;RB-C-V承压标准试块

JIS-STB-A1日本标准试块;JIS-STB-A2标准试块;JIS-STB-A3标准试块;JIS-STB-G标准试块;STB-A21标准试块;STB-A22标准试块;RB-A4AL标准试块;RB-D标准试块;RB-4标准试块
美国标准试块ASME-1;美国标准试块ASME-2;美国标准试块ASME-3;美国标准试块ASME-4;美国标准试块ASME-5;美国标准试块ASME-6
45N提升力试块;118N提升力试块;177N提升力试块
铝合金试片JM-A;不锈钢镀铬三点式试块YM-B;不锈钢镀铬五点式试块YM-C;不锈钢镀铬条纹式试块YM-D
TZS-60;TZS-70;TZS-80;TZS-90;TZS-100;TZS-110标准试块
LG-R520;LG-R600标准试块
LG-1;LG-2;LG-3;LG-4;LG-5;LG-6;LG-7;LG-8;LG-9车轨标准试块
CTRB-1;CTRB-2;CTRB-3;CTRB-1C;CTRB-2C船舶行业标准试块
CSK-ICJ;CSK-IDJ;RBJ-I建筑行业标准试块
SGB-1;SGB-2;SGB-3;SGB-4;SGB-5;SGB-6;SRB天然气标准试块
CSI-1;CSI-2;CSI-3;CSI-4标准试块
CSII-1;CSII-2;CSII-3;CSII-4标准试块
CSIII-1;CSIII-2;CSIII-3;CSIII-4;CSIII-5;CSIII-6;CSIII-7;CSIII-8;CSIII-9;CSIII-10;CSIII-11;CSIII-12;CSIII-13;CSIII-14标准试块
CBII-1;CBII-2;CBII-3;CBII-4;CBII-5;CBII-6标准试块
铁路探伤试块标准GTS-60SG/GTS-60SG-1 GTS-60SG/GTS-60SG-1 工务探伤试块 CSK-ⅠA 块 CSK-IA 翻转架 台 CSK-IA 试块支架 台 DB-H1 块 9-φ3 孔 DB-H2 块 6-φ4 孔 CS-1-5# 块 φ2 平底孔 声程=200mm WGT-1 块 WGT-2 块 WGT-3 块 TB/T 2340-2000 带把阶梯 块 TB/T 2340-2000 三角试块 CSL-Ⅱ、CSL-Ⅲ 块 全套 2 块 GTS-60(内、外) 块 短 432mm,内、外一对 GTS-60(内、外) 块 长 1400mm,内、外一对 GTS-60 块 长 1800mm 钢轨焊缝试块 块 9 孔 TDS-1 块 TB/T 2494.2-94 钢轨焊缝试块 GHT-1
按一定用途设计制作的具有简单几何形状人工反射体的试样,通常称为试块。
材料:选用电炉或平炉熔炼的碳素结构钢,成分符合GB/T699的要求,晶粒度7~8级
作用:
1、确定检测灵敏度
2、测试仪器和探头的性能
3、调整扫描速度
4、评判缺陷大小
分类:标准试块、对比试块。
对比试块应选取与被检材料相近的材料制备。制作对比试块的材料应*行高灵敏度超声波检测,不得出现影响使用的杂波。对比试块制作用料的透声性、声速和声阻抗应与受检件的相同或相近。不锈钢、镍基合金或钻基合金等一般应采用被检件材料制作;钛合金挤压件应采用与受检件相近的挤压件制作。
启航检测科技(上海)有限公司提供探伤仪仪器维修,产品计量,技术培训,产品说明书,产品配件等。;服务范围: 船舶及船用产品的声探伤-UT;磁粉探伤-MT;渗透检测(PT)、射线探伤-RT、涡流探伤-ET等产品。(奥林巴斯/汕/美国GE/达高特/中科汉威/友联/声纳/)配件:相控阵探头,直探头,斜探头,连接线,探头线,保护膜,试块,耦合剂,双晶探头,表面波探头,小径管探头,小角度探头,水浸探头,非金属探头,可拆式探头,可变角度探头,窄脉冲探头、测厚探头、高温耦合剂及声探伤-UT;磁粉探伤-MT;渗透检测(PT)、射线探伤-RT、涡流探伤-ET等产品。


