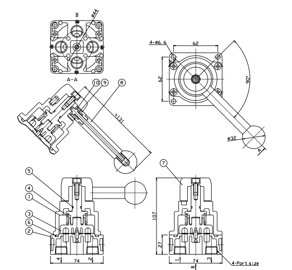
INA-24-11-02 SMC手动阀介绍

INA-24 系列 带锁定机构的手动阀 横配管 3位中封式
锁定机构可防止手柄错误操作
字段描述 字段取值 取值描述
螺纹种类 - Rc
连接口径 02 1/4
常用型号
AS2201F-01-06SA
CDM2E25-75AZ
AW40-04-A
KQ2H08-02AS
Ar20-02-a
AW20-02B-A
IGS279
磁感式接近开关/MR0100/易福门
IFM EVC142
IFM PA3021 4-20MA
IFM O5D102
SA5000
IG0012
增速器IL100-03 SMC
减压阀AW40-03B-A
IFM KG6000 PNP
易福门 SA5004
IFM O1D101
IGM207
IFM IIS206
IFM S16200
IFM IFS204
IFM IFS206
易福门 SV4200
O1D100 3个
IGS208 3个
FM LMT102
尺寸图片

SMC手动阀门是管路流体输送系统中控制部件,它是用来改变通路断面和介质流动方向,具有导流、截止、调节、节流、止回、分流或溢流卸压等功能。 用于流体控制的阀门,阀门的公称通径从极微小的仪表阀大至通径达10m的工业管路用阀。阀门可以在压力、温度或其它形式传感信号的作用下,按预定要求动作,或者不依赖传感信号而进行简单的开启或关闭,阀门依靠驱动或自动机构使启闭件作升降、滑移、旋摆或回转运动, 从而改变其流道面积的大小以实现其控制功能。
SMC手指阀6大特点
1、SMC手指阀具有体积小,重轻、连线简单、流大、调节精度高等特点,
2、SMC手指阀阀内组件:阀芯型式:.上导单座(套筒 )柱塞型阀芯
3、流量特性:直线特性、等百分比特性或快开特性
4、材料:
5、SMC手指阀用于调节工业自动化过程控制领域中的介质流量、励、温度、液位等工艺参数。
6、SMC手指阀适用范围空调、供暖、蒸气用电动调节阀
INA-24-11-02 SMC手动阀介绍
