SMC标准型气缸CDM2E32-50Z的详细资料

描述:
杆端内螺纹标准化
磁性开关可操作性提高,易于调整位置
设有单耳环型、耳轴型用摆动底座
设定了杆端安装件、摆动底座安装件的型号(节省分别订购气缸和安装件的时间)
带磁性开关
注意:
确认规格。
该产品仅适用于工业压缩空气系统。 不要如此,在出规格范围的压力或
温度等条件下运行可能导致损坏或故障。 (参考规格。)提前联系SMC用
于非工业用途,或者使用非流体以外的液体压缩的空气。
采取措施确保空气质量,例如安装后冷却器,空气干燥器或水分离器。含
回路中的水可能会冻结而引起密封破损或故障。 应采取纠正措施以防止冷冻。
如果产品有可能对人类造成危害,安装保护盖。
如果产品的移动部分会对人类造成危害或会造成损害机械或设备,提供防
有大量排水的压缩空气会导致故障气动设备如阀门。 因此,采取适当措施
确保空气质量,如提供后冷却器,空气干燥器或水分离器。
在的流体和环境温度下使用本产品范围。在低于5o的温度下操作C,
止与那些直接接触的结构区域。
实物图:

型号:
L-CDM2E32-100A
L-CDM2E32-100AJ
L-CDM2E32-100B-XC8
L-CDM2E32-100S
L-CDM2E32-100T
L-CDM2E32-100Z
L-CDM2E32-1050
L-CDM2E32-10A
L-CDM2E32-10S
L-CDM2E32-110
L-CDM2E32-112A
L-CDM2E32-170A
L-CDM2E32-175
L-CDM2E32-175A
L-CDM2E32-175AK
L-CDM2E32-177
L-CDM2E32-180A
L-CDM2E32-182
L-CDM2E32-185
L-CDM2E32-20
L-CDM2E32-350
L-CDM2E32-350A
L-CDM2E32-350AJ
L-CDM2E32-350AZ
L-CDM2E32-35A
L-CDM2E32-35AZ
L-CDM2E32-35Z
L-CDM2E32-360
L-CDM2E32-375
L-CDM2E32-38
L-CDM2E32-40
L-CDM2E32-400
L-CDM2E32-400A
L-CDM2E32-90
L-CDM2E32-90A
L-CDM2E32-95A
L-CDM2E40-0666
L-CDM2E40-0794
L-CDM2E40-0796
L-CDM2E40-100
L-CDM2E40-1000A
L-CDM2E40-100A
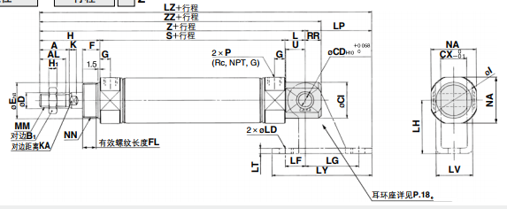
尺寸图:


L-CDM2E40-100AZ
L-CDM2E40-100S
L-CDM2E40-100T
L-CDM2E40-100-XC6
L-CDM2E40-105A
L-CDM2E40-110
L-CDM2E40-110A
L-CDM2E40-115A
L-CDM2E32-400AZ
L-CDM2E32-40A
L-CDM2E32-420
L-CDM2E32-42A
L-CDM2E32-45
L-CDM2E32-450
L-CDM2E32-450A
L-CDM2E32-5
L-CDM2E32-50
L-CDM2E32-200
L-CDM2E32-200A
L-CDM2E32-200AZ
L-CDM2E32-200T
L-CDM2E32-200-XC6
L-CDM2E32-200Z
L-CDM2E32-20A
L-CDM2E32-20-XC4
L-CDM2E32-210
L-CDM2E32-230
L-CDM2E32-25
L-CDM2E32-250
L-CDM2E32-250A
L-CDM2E32-250Z
L-CDM2E32-25A
L-CDM2E32-120
L-CDM2E32-125
L-CDM2E32-600
L-CDM2E32-600A
L-CDM2E32-60A
L-CDM2E32-620
L-CDM2E32-65
L-CDM2E32-70
L-CDM2E32-700
L-CDM2E32-700A
L-CDM2E32-700Z
L-CDM2E32-70A
L-CDM2E32-70Z
L-CDM2E32-73Z
L-CDM2E32-75
L-CDM2E32-75A
L-CDM2E32-75J
L-CDM2E32-75S
L-CDM2E32-125A
L-CDM2E32-125AK
L-CDM2E32-125AZ
L-CDM2E32-125K
L-CDM2E32-125Z
L-CDM2E32-130
L-CDM2E32-130A
SMC标准型气缸CDM2E32-50Z的详细资料
