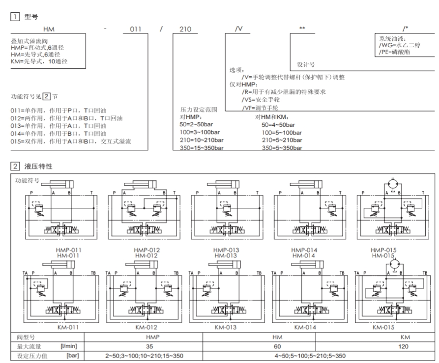
型号表述 ATOS叠加式溢流阀KM-011/100/50

HMP是直动式溢流阀。
HM和KM是先导式平衡座阀①式流阀。压力调整方式:松开锁紧螺母②、转动保护帽④下的调节螺杆③。可选手轮⑤调整代替螺杆调整,可按要求提供。

顺时针转动增大压力。
HMP= ISO4401标准,06通径*流量:35 L/min;*压力:350barISO4401标准,06通径*流量:60 L/min:*压力:350barISO4401标准,10通径*流量:120 lmin;*压力:350bar
HM =
KM=
此类阀适用于使用具有相似润滑特性的矿物油或合成液的液压系统中。
主要功能
安装位置
安装界面精度
环境温度
油液种类
粘度
油液清洁度
油液温度
任意位置
表面粗糙度Ra0.4,平面度0.01/100(ISO1101)
-20℃~+70℃
符合ISO51524-535标准的液压油:其他类型的油液见1节
40℃时为15-100mms(1S0 VG15~100)
符合ISO19/16标准,建议用25um、B>75的进油过滤器
-20℃~+60℃(标准或WG密封):-20℃~+80℃(PE密封)。
电磁阀安装后,管道中不得有反向压
差。并需通电数次,使之适温后方可
正式投入使用;
电磁阀安装前应清洗管道。通入
的介质应无杂质。阀前装过滤器;
当电磁阀发生故障或清洗时,为保证
系统继续运行,应安装旁路装置。
SDP-2003/A
SDP-2013/A
SDP-2023/A
型号表述 ATOS叠加式溢流阀KM-011/100/50
