原装Parker派克单叶片泵泵PVS 08/12系列的性能特征

单作用叶片泵的工作原理:
泵由转子1、定子2、叶片3、配油盘和端盖等部件所组成。定子的内表面
是圆柱形孔。转子和定子之间存在着偏心。叶片在转子的槽内可灵活滑动
个个密封的工作腔。当转子按逆时针方向旋转时,图右侧的叶片向外伸出
种泵在转子转一转过程中,吸油压油各一次,故称单作用泵。转子受到径
向液压不平衡作用力,故又称非平衡式泵,其轴承负载较大。改变定子和
,密封工作腔容积逐渐增大,产生真空,于是通过吸油口6和配油盘5上窗
口将油吸入。而在图的左侧。叶片往里缩进,密封腔的容积逐渐缩小,密
封腔中的油液经配油盘另一窗口和压油口1被压出而输出到系统中去。这
,在转子转动时的离心力以及通入叶片根部压力油的作用下,叶片顶部贴
紧在定子内表面上,于是两相邻叶片、配油盘、定子和转子间便形成了一
转子间的偏心量,便可改变泵的排量,故这种泵都是变量泵
实物图:

故障及措施:
滤油器堵塞,吸油不畅
淸洗
吸入端漏气
用涂黄油的方法,逐个检査吸油管接头处,若噪声减少应紧固接头。或直接观察回油口处是否出现气泡。
泵端密封磨损
在轴端油封处涂上黄油,若噪声减小,应更换油封
转子的叶片槽两侧与其两端面不垂直
更换转子
配油盘卸荷三角槽太短
用什锦锉适当修改,使前一叶片过卸荷槽时,后一叶片已脱离吸油腔
花键槽轴端的密封过紧(有烫手现象)
适当调整更换
泵盖螺钉由于振动而松动
将螺钉连接处涂上黄油,若噪声小,应紧固螺钉
泵与电动机轴不同心
重新调整使之同心
型号表示:

型号:
PFVH35A35R1FN1
PFVI2520A175R15FN1
PFVI2520C175R16FN
PFVI25A12R3FN1
PFVI25A12R4FN1
PFVI25A14R1FN1
PFVI25A14R1FN1
PVS25EH060
PV140R1K1A4NSCC+PGP511A0110CA1
PV140R1K1A4NSCD+PGP511A0070CA1
PV140R1K1A4NSLC+PGP511A0110CA1
PV140R1K1A4NTCB+PGP511A0270CA1
PV140R1K1A4NUCC
PFVI35A30R4FN2
PFV125A12R4FN1
PVS25EH140
PVS25EH140C2Z
PVS32AZ140
PVS32EH140
PV140R1G3T1NFWS4310
PV140R1G4C1NUPR4342
PV140R1K1A1NFFC4311
PV140R1K1A1NFHS4310
PV140R1K1A1NSCC4342
PVS50AZ140
PVS50EH140
PVS08EH140C2
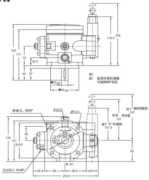
尺寸图:

PVS08EH140C2Z
PVS32EH140Z
PVS40AZ140
PVS40EH140
PVS40EH140Z
PV140R1G3B1NTLC4342
PV140R1G3D1NTLC4342
PV140R1G3T1NFHS4310
PV140R1G3T1NFTP4321
PFVI25A17R1FN1
PFVI25A21R4FN1
PFVI25C21R2FN
PFVI3525A3017R15FN1
PFVI35A25R1FN1
PFVI35A25R1FN1
PFVI35A25R1FV1
PV140R1K1A4NFWS+PGP511A0160CA1
PV140R1K1A4NFWS+PGP511A0230CA1
PV140R1K1A4NMLC+PGP511A0190CA1
PV140R1K1A4NMLZ+3349611020+DSA
PFVH25A14R1FN1
原装Parker派克单叶片泵泵PVS 08/12系列的性能特征
