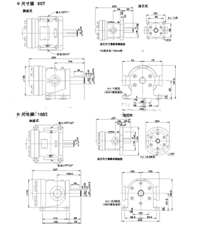
50T-39-FR液压泵定量叶片泵
来源:
上海双旭电子有限公司
发布时间:2022-03-31 09:22:42
50T-39-FR液压泵定量叶片泵
以上信息由企业自行提供,信息内容的真实性、准确性和合法性由相关企业负责,仪器仪表交易网对此不承担任何保证责任。
温馨提示:为规避购买风险,建议您在购买产品前务必确认供应商资质及产品质量。
提示:手指上下滑动,即可关闭图片浏览。
上一篇:
XLDH-III打滑开关测速开关
下一篇:
IS3010-02 变频器
推荐资料
UDJ-300kg 称重传感器
CPR6900-CXL1K2H
GGF-JKA5-10M 红外
FEDRD58PYCV3LMW
CZSRD804雷达物位计操作
AMI-6kg 称重传感器工作
ZSC-A-200t 称重传感
浮球液位控制器ST-M18-3
121-10T 称重传感器安装
1260-300Kg 称重传感