盘活库存,价格好
秉圣刘工189欢迎6828咨询7931
宁波秉圣工业技术有限公司是一家从事液压元件、液压系统设计和销售的现代化企业,成立于2008年。公司部位于宁波市,是一家拥有多年从事液压领域经验的*贸易公司。

德国REXROTH阀 R901496430 4WREE6E32-3X/V/24A1
德国REXROTH阀 4WRPEH6C4B24L2X/G24KO/A1M
德国REXROTH阀 R900958356 4WRZE16W6-150-7X/6EG24N9EK31/A1D3M
德国REXROTH阀 R901382313 4WRPEH6C3B24L-3X/M/24A1
德国REXROTH阀 4WRPE10EA80SJ-2X/G24K0/A1M
德国REXROTH阀 R900902940 4WRA6E30-2X/G24N9K4/V
德国REXROTH阀 4WRPEH10C4B50L-2X/G24K0/A1M
德国REXROTH阀 R900706551 4WRKE25W6-350L-3X/6EG24K31/A1D3V
德国REXROTH阀 R901046195 4WRKE16W6-125P-3X/6EG24EK31/A1D3M
德国REXROTH阀 R901517463 4WREE6W1-16-3X/V/24A1
德国REXROTH阀 R900750556 4WRZE10W8-85-7X/6EG24N9EK31/F1D3M
德国REXROTH阀 R900954070 4WRAE6E15-2X/G24K31/A1V
德国REXROTH阀 R901099279 4WRAE6W1-07-2X/G24K31/F1V
德国REXROTH阀 R900954061 4WRA10E60-2X/G24K4/V
德国REXROTH阀 R901382347 4WRPEH6C3B04L-3X/M/24F1
德国REXROTH阀 R901382319 4WRPEH6C4B40L-3X/M/24A1
德国REXROTH阀 4WRL25V370M-30/G24Z4/M
德国REXROTH阀 R901496434 4WREE6E08-3X/V/24F1
德国REXROTH阀 R900918257 4WRTE16E200L-4X/6EG24ETK31/A1M
德国REXROTH阀 R900967036 4WRTE16R3-200S-4X/6EG24K31/A1M
德国REXROTH阀 R900965493 4WRZ10W8-85-7X/6EG24N9K4/M
德国REXROTH阀 R901067874 4WRKE25R3-350L-3X/6EG24ETK31/A5D3M
德国REXROTH阀 R900953729 4WRE6W1-08-2X/G24K4/V
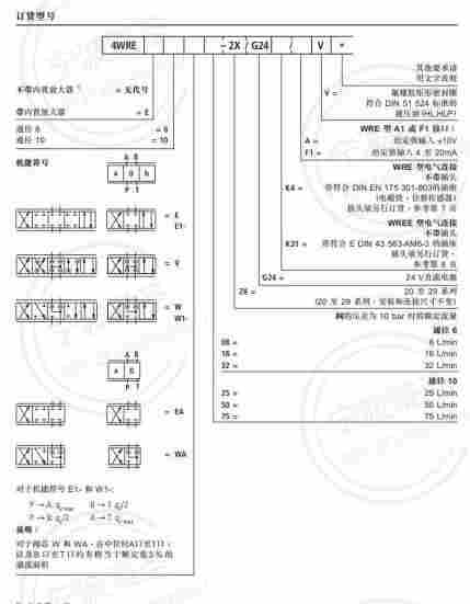
4WREE10E752X/G24K31/A1V 是一种力士乐比例阀,通常用于工程机械、模具机床、注塑机、铸造机床等行业中的流量控制应用。
该比例阀有以下主要特点:
1.安装方便:可直接安装在标准比例阀插座上,两端为螺纹接口。
2.高精度控制:4WREE系列具有高精度控制的能力,可以控制液压系统中的流量。
3.可靠性高:该比例阀采用滑动阀结构,具有长寿命和高可靠性。
4.节能环保:通过比例控制技术实现节能效果,从而降低系统的运行成本。
5.操作简单:使用方便,只需通过电气信号控制比例阀即可实现流量的控制。

4WREE10E752X/G24K31/A1V力士乐比例阀是一种高精度、高可靠性、节能环保、操作简便的流量控制阀,适用于各种液压系统中的严格流量控制应用。
可以从以下多个方面来介绍4WREE10E752X/G24K31/A1V力士乐比例阀:
1. 结构原理:该比例阀采用滑动阀结构,滑动阀是以电机的控制信号调节流量大小,从而改变液压元件的压力、速度和位置。由于采用了比例控制技术,可以实现高精度的流量控制。
2. 技术参数:
- *工作压力:31.5 MPa
- *流量:63 L/min
- 工作温度:-30℃~+80℃
- 电压:24V DC
- 控制电压范围:0~10V DC
- 滑动阀设计寿命:500万次
3. 应用领域:这种比例阀广泛应用于机械、冶金、工业自动化、船舶、军工等领域,主要用于流量控制,例如模具机床、注塑机、液态成型机床、铸造机床、钢压机等液压控制系统。
4. 特点优势:
- 高精度的比例控制技术。
- 基于滑动阀结构,长寿命,高可靠性。
- 方便易用,可直接安装在标准的比例阀插座上,操作简单。
- 实现了节能效果,可以降低系统的运行成本。
5. 注意事项:在使用该比例阀时,需要根据实际情况选择合适的电气系统和电源。安装时需要按照说明书正确安装,定期检查和维护比例阀,确保系统稳定性和安全性。

力士乐(Rexroth),全名为博世力士乐(Bosch Rexroth),是德国博世集团旗下的一家工业自动化和动力传动技术公司。其部位于德国巴伐利亚州的劳夫恩沃尔德(Lohr am Main),公司拥有过40000名员工,遍布全球80多个*和地区。
力士乐的产品和服务主要涵盖以下领域:
1. 工业液压
力士乐的工业液压产品包括液压泵、液压马达、液压机和液压系统等,涉及到包括水利、能源、采矿、冶金、塑料、造纸、机械制造、汽车等众多领域。其产品具有高效、可靠、安全等特点,适用于各种复杂工况下的设备和工艺流程。
2. 电气与控制
力士乐提供的电气与控制产品包括智能电机、驱动器、温控器、传感器、PLC等,这些产品广泛应用于工业自动化、机械制造、污水处理、建筑等领域。通过这些产品,用户可以实时掌握设备运行情况,快速响应异常情况,从而提高生产效率和设备可靠性。
3. 线性与装配技术
力士乐的线性与装配技术跨足多种行业,包括汽车、机床、物流和包装等。其产品涵盖气缸、直线运动导向器、滑块、齿轮传动等机电元件,以及装配系统和传送带等。这些产品不仅提供了高效的动力传输,也为不同类型的装配工艺提供了灵活的解决方案。
力士乐公司作为全球工业自动化和动力传动技术领域的企业,其提供的丰富产品和服务助力了许多行业的高效运行,同时也不断推动行业技术的进步和发展。
宁波秉圣工业技术有限公司是一家从事欧美液压进口件的贸易公司、一直是国内的进口原装液压、电子、气动、过滤MRO供应商,宁波秉圣工业技术有限工业司优势:德国、美国合资合资公司作为采购平台;与多家欧美技术经销商或系统集成商合作,整合采购;所有欧美备件,提供采购咨询;原装欧美境内采购,保证原装;整合采购,整合发运;10余年液压行业经验,ZY服务;可提供行业技术咨询;标准报关,海关A类企业。合作。
