ULVAC
"Model:GCD"为直接驱动式油旋片真空泵、可用于有毒和腐蚀性气体的排气、是化学、制药应用中的理想产品。
气体接触部件的表面进行了化学处理。
从50L到200L/min有三种不同规格可选择。

气体接触面已做表面处理,可适用于化学气体。 可连接油过滤系统。 低噪音低震动 安装了防回流机构,在因停电而停止时,可以防止油流回真空室。 安装了强制供油机构,排气速度稳定。 大气压下可运作。 通过内部零件上的定位销,连接法兰部件更容易。特点
※1:极限压力是皮拉尼真空计的测量值 :标准、○:可选对应、-:不可对应 line; font-style: inherit; font-variant: inherit; font-weight: inherit; font-stretch: inherit; line-height: inherit; font-family: inherit; font-optical-sizing: inherit; font-size-adjust: inherit; font-kerning: inherit; font-feature-settings: inherit; font-variation-settings: inherit; color: rgb(51, 51, 51); text-decoration-line: none; word-break: break-all;">规格
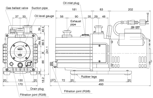
Unit 50Hz 60Hz 有效排气速度 L/min 135 162 极限压力※1 G.V.Closed Pa 0.67 G.V.Open 6.7 使用电动机※2 単相, 100V, 400W, 4P 全负荷电流 A 7.7 6.1 油量 mL 1,000 使用油 SO-M 重量 kg 25.4 吸气管径 mm KF-25 使用环境温度范围 ℃ 7~40 *尺寸 mm 170(W)×493(L)×241.1(H)
(McLeod真空计测量时、对于极限力为1.3 Pa或更低的泵,该值低一位数。)
※2:不包括电源插头和电源线。对应规格/电压
型号 規格※ CE
自我宣言1Φ
100V1Φ
115V1Φ
200V1Φ
220V1Φ
230V3Φ
200VGCD-136X - - - ○ ○ - ○
※关于安全防爆电机,请咨询我们。尺寸图

排气速度曲线

