IGUS进口球轴承,球面外径

球轴承,球面外径
由xiros®B180或M180制成(可检测)
用作滚筒
低摩擦
介质和耐腐蚀
防止不必要的轮廓磨损
用于倾斜/弯曲/扭曲型材
防止边缘压力
xiros®球形外径
典型应用:
包装行业,搬运技术,搬运系统,家具/服装行业
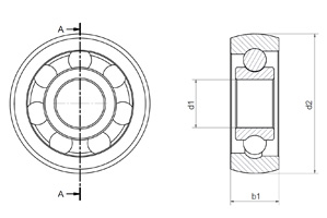
轴盘
型号:
BB-6000SO-M180-40-ES
BB-608SO-M180-40-ES
BB-6001SO-M180-40-ES
BSO608B1E
BB-608SO-B180-40-ES
BSO6000B1E
BSO6001B1E
BB-6001SO-B180-40-ES
BSO608B1G
BSO6000B1G
BSO6001B1G
产品
典型应用:包装行业,搬运技术,搬运系统,家具/服装行业
" title="轴盘" >
" title="轴盘" >
IGUS进口球轴承,球面外径
