中文版数据;美国MAC比例阀6622A-011-PM-111DA


特性:
1.平衡的提动阀芯,不受变化的影响
压力。
2.短冲程,高流量。
3.获得的螺线管产生高换档
力量。
4.强大的复位弹簧。
5.所有阀门均采用手动操作员标准。
6.交流电维修中的防燃螺线管。
压缩空气,真空,惰性气体
真空至150 PSI
不需要,如果使用,请选择中苯胺点润滑剂(180°F至210°F之间)
40微
0°F至140°F(-18°C至60°C)
0.5 Cv
通用A级,连续工作,封装
额定电压的-15%至+ 10%
咨询工厂
涌入:33 VA保持:19.7 VA
= 1至24 W
24 VDC(8.5 W)通电:15毫秒断电:5毫秒
120/60通电:3-8毫秒断电:3-13毫秒
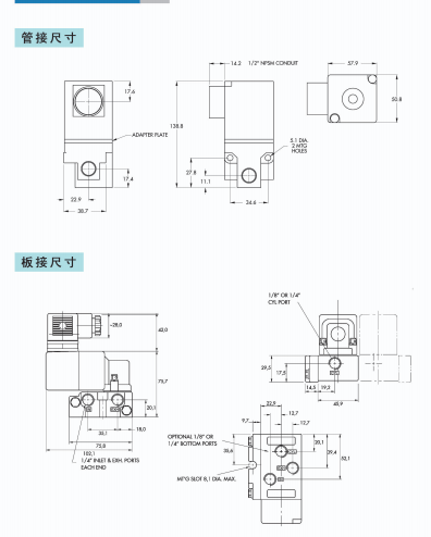
阀体组件。它也可以作为57、58和59系列的先导产品(带有特殊的转接板#M-00012)提供。
从常闭切换为常开
通过将入口连接到端口3而不是端口1,可以将各个管道阀从常闭更改为常开。
常闭型
对于那些对高浓度水,
需要压缩机产品和其他空气管线污染物。

57D-55-RE
45A-SE2-DAEJ-1KA
M-45001-01
35A-B00-DFFJ-1KE-24DC
411A-BOB-DM-DDFJ-1JM
DMB-DDFJ-1JM-24VDC
45A-BC1-DABA-1BA 220VAC
PME-RA11
6522B-341-RA
52A-11-DOC-DM-DDDJ-4KD
52A-11-DOA-DM-DDDJ-4KD
52A-31-DOC-DM-DDDJ-4KD
413A-DOA-DM-DDDJ-4KD
6313D-361-PM-504DA
58D-43-612JC
56C-16-616AA DC24V
57D-52-RA
56C-13-294JA
PME-121CAAA220V/50Hz
580-45-RA
44B-L00-GDFA-1KJ
113B-571BA
中文版数据;美国MAC比例阀6622A-011-PM-111DA
