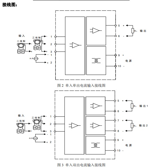
单通道智能型电流输入配电器 型号MIK602S库号M18763

来源:东方化玻(北京)科技有限公司
发布时间:2023-12-20 09:43:37
单通道智能型电流输入配电器 型号:MIK602S

库号:M18763


参数

1.允许输入信号:

直流电流:0(4)mA~20mA ;0mA~10mA;

如需其它订制信号类型请订制,详见产品标签;

2.输入阻抗:约 100Ω

3.允许输出信号:

电流:0(4)mA~20mA;0mA~10mA;

电压:0(1)V~5V;0V~10V;

如需其它信号类型请订制,具体信号类型详见产品标签。

4.输出负载能力:

0(4)mA~20mA:≤550Ω;0mA~10mA:≤1.1kΩ

0(1)V~5V:≥1MΩ;0V~10V:≥2MΩ

如有其它负载需求请订制,详见产品标签。

5.配电输出电压:

空载电压≤26V,满载电压≥23V

6.隔离传输准确度:±0.1%F.S(25℃±2℃)

7.温度漂移:40ppm/℃

8.响应时间:≤0.5s

9.介电强度(漏电流 1mA,测试时间 1 分钟):

≥1500VAC(输入/输出/电源之间)

10.绝缘电阻:≥100MΩ(输入/输出/电源之间)

11.电磁兼容:EMC 符合 IEC61326—3

12.电源:直流 18~32V(典型值 24V DC)

13.满载功耗:

单路输入,单路输出 0.6W

单路输入,双路输出 1.5W



使用环境

工作中环境温度:−20℃~+60℃

工作中允许相对湿度:10%RH~90%RH(40℃)

工作中允许大气压力:80kPa~106kPa

储运过程中允许环境温度:−40℃~+80℃

参数

1.允许输入信号:

直流电流:0(4)mA~20mA ;0mA~10mA;

如需其它订制信号类型请订制,详见产品标签;

2.输入阻抗:约 100Ω

3.允许输出信号:

电流:0(4)mA~20mA;0mA~10mA;

电压:0(1)V~5V;0V~10V;

如需其它信号类型请订制,具体信号类型详见产品标签。

4.输出负载能力:

0(4)mA~20mA:≤550Ω;0mA~10mA:≤1.1kΩ

0(1)V~5V:≥1MΩ;0V~10V:≥2MΩ

如有其它负载需求请订制,详见产品标签。

5.配电输出电压:

空载电压≤26V,满载电压≥23V

6.隔离传输准确度:±0.1%F.S(25℃±2℃)

7.温度漂移:40ppm/℃

8.响应时间:≤0.5s

9.介电强度(漏电流 1mA,测试时间 1 分钟):

≥1500VAC(输入/输出/电源之间)

10.绝缘电阻:≥100MΩ(输入/输出/电源之间)

11.电磁兼容:EMC 符合 IEC61326—3

12.电源:直流 18~32V(典型值 24V DC)

13.满载功耗:

单路输入,单路输出 0.6W

单路输入,双路输出 1.5W



使用环境

工作中环境温度:−20℃~+60℃

工作中允许相对湿度:10%RH~90%RH(40℃)

工作中允许大气压力:80kPa~106kPa

储运过程中允许环境温度:−40℃~+80℃

参数

1.允许输入信号:

直流电流:0(4)mA~20mA ;0mA~10mA;

如需其它订制信号类型请订制,详见产品标签;

2.输入阻抗:约 100Ω

3.允许输出信号:

电流:0(4)mA~20mA;0mA~10mA;

电压:0(1)V~5V;0V~10V;

如需其它信号类型请订制,具体信号类型详见产品标签。

4.输出负载能力:

0(4)mA~20mA:≤550Ω;0mA~10mA:≤1.1kΩ

0(1)V~5V:≥1MΩ;0V~10V:≥2MΩ

如有其它负载需求请订制,详见产品标签。

5.配电输出电压:

空载电压≤26V,满载电压≥23V

6.隔离传输准确度:±0.1%F.S(25℃±2℃)

7.温度漂移:40ppm/℃

8.响应时间:≤0.5s

9.介电强度(漏电流 1mA,测试时间 1 分钟):

≥1500VAC(输入/输出/电源之间)

10.绝缘电阻:≥100MΩ(输入/输出/电源之间)

11.电磁兼容:EMC 符合 IEC61326—3

12.电源:直流 18~32V(典型值 24V DC)

13.满载功耗:

单路输入,单路输出 0.6W

单路输入,双路输出 1.5W



使用环境

工作中环境温度:−20℃~+60℃

工作中允许相对湿度:10%RH~90%RH(40℃)

工作中允许大气压力:80kPa~106kPa

储运过程中允许环境温度:−40℃~+80℃

参数

1.允许输入信号:

直流电流:0(4)mA~20mA ;0mA~10mA;

如需其它订制信号类型请订制,详见产品标签;

2.输入阻抗:约 100Ω

3.允许输出信号:

电流:0(4)mA~20mA;0mA~10mA;

电压:0(1)V~5V;0V~10V;

如需其它信号类型请订制,具体信号类型详见产品标签。

4.输出负载能力:

0(4)mA~20mA:≤550Ω;0mA~10mA:≤1.1kΩ

0(1)V~5V:≥1MΩ;0V~10V:≥2MΩ

如有其它负载需求请订制,详见产品标签。

5.配电输出电压:

空载电压≤26V,满载电压≥23V

6.隔离传输准确度:±0.1%F.S(25℃±2℃)

7.温度漂移:40ppm/℃

8.响应时间:≤0.5s

9.介电强度(漏电流 1mA,测试时间 1 分钟):

≥1500VAC(输入/输出/电源之间)

10.绝缘电阻:≥100MΩ(输入/输出/电源之间)

11.电磁兼容:EMC 符合 IEC61326—3

12.电源:直流 18~32V(典型值 24V DC)

13.满载功耗:

单路输入,单路输出 0.6W

单路输入,双路输出 1.5W



使用环境

工作中环境温度:−20℃~+60℃

工作中允许相对湿度:10%RH~90%RH(40℃)

工作中允许大气压力:80kPa~106kPa

储运过程中允许环境温度:−40℃~+80℃

以上信息由企业自行提供,信息内容的真实性、准确性和合法性由相关企业负责,仪器仪表交易网对此不承担任何保证责任。
温馨提示:为规避购买风险,建议您在购买产品前务必确认供应商资质及产品质量。

上一篇: 昌吉民宿房屋安全质量检测机构-一...
下一篇: 铜川学校房屋抗震鉴定服务中心

推荐资料