宋兵兵
安科瑞电气股份有限公司 上海嘉定 201801
摘要:通过云平台服务功能,对建筑物内传感器数据采集、各类数值量进行互联网上传,在云平台进行大数据分析对比,构建建筑能耗监测、智能控制和管理服务系统,实现对各类建筑能耗情况的统计、分析、诊断和预警等,实现对用电设备进行有效的智能控制与管理,降低用能客户能源成本,便于电网企业实施区域性建筑楼群的需求侧管理,满足政府对建筑领域技术节能和管理节能的整体要求。
关键词:能耗监测;智能控制;能效服务;智能照明;智能化
0引言
随着节能减排政策推进,建筑能耗问题越来越受到人们关注。为了方便人们了解建筑实时能耗和改变用户的用电惯,降低用能客户能源成本,同时便于电网企业实施区域性建筑楼群的需求侧管理,满足对建筑领域技术节能和管理节能的整体要求,本文主要介绍建筑的能耗监测与智能控制系统。
1系统基本结构
系统基本结构图如图1所示。
传感器—输入操作指令,发送到管理主机或执行器。执行器—输出动作指令,执行楼宇设备的通断及调节。
管理主机—信息处理中心,接收指令和传达指令到执行器,执行器动作。通信模块—传递信息指令,信息联接指令传输通信。动作元件—接收信息指令,执行相关动作的配套元件。云平台—分析处理采集的各方面数据,并发出告警及管理指令。

图1系统基本结构图
2技术方法
建筑能耗检测与智能控制的能效服务,通过采集器和智能管理主机进行数据采集与智能控制。智能管理主机一方面通过Rs485总线与底层各种设备连接通讯,另一方面通过互联网与顶层设备的建筑能效监测与控制管理中心连接通讯,有关电表、水表、煤气表、热能表则通过Rs485总线与能耗采集器连接,并将实时数据缓存至能耗采集器,能耗采集器通过互联网与顶层(设备)的监测与控制管理中心连接通讯,对建筑实现主动控制或智能控制的方式,实现对建筑的节能服务管理。
底层各种设备包括:带有Rs485总线接口的电表、水表、煤气表、热能表、能耗监测控制插座、能耗监测控制开关执行器、智能照明控制面板、数据采集器、红外转发器等。
顶层设备包括:服务器、电脑以及管理系统软件等,顶层设备对对底层各种设备、四表进行数据收集、监测和数据分析,同时做出相应的判断、操作,必要时对底层各种设备进行控制、设置或编程。
该系统可以通过服务器向手机AP端推送各种信息,同时也接收手机AP端的操作指令,就是通过互联网进行远程监控与控制,实现与上级平台的通讯,实现更大范围用能终端的监测与管理,形成电能服务管理平台与建筑能效服务云平台的融合对接,以实现对所有用户进行数据监测、分析、预警,并实施主动控制或智能控制的方式,实现建筑能效的动态优化控制策略,进而提供用户运行经济指导方案。
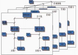
3系统组成架构
建筑能耗监测与智能控制系统的基本构成,是由各元件通过总线连接成一条支线,几条支线组成一个区域,几个区域构成一个大的系统。一条支线可以连接64个总线元件,每个区域可以容纳15条支线,每个系统可以有15个区域。系统组成构架如图2所示。

图2系统组成架构
在系统比较小、一条支线足以容纳的情况下,可以不必配置线路耦合器,如图3所示。在同一条支线内,电源模块与MG元件的距离为350m,两个元件距离为700m,整条支线的长度不过1000m。支线与支线之间的相连称为主干线,同样需要一个电源进行供电,对总线元件数量和距离的要求与支线相同。

图3不配置线路耦合器系统组成构架图
系统也可以通过智能管理主机直接与以太网相连,如图4所示。在这种情况下,智能管理主机可以替代线路耦合器或者中转器的作用。这种方式可以解决远距离传输的问题,同时可以提高系统主干线的传输速率。

图4配置智能主机系统组成架构图
4物联网技术应用
4.1物联网数据采集技术
针对物联网感知及信息处理向智能化、网络化方向发展,本研究方向从多功能传感芯片与元器件、嵌入式传感系统、感知信息融合处理等3个层次开展研究工作[2-3]。
(1)多功能传感芯片与元器件
物联网系统在很多情况下都需要在一个复杂环境下感知多个多类物理信息,本方向研究多传感在芯片级、元器件级的集成创新。
(2)嵌入式传感系统
传感器网络综合了传感器技术、嵌入式计算技术、现代网络及无线通信技术、分布式信息处理技术等,能够通过各类集成化的微型传感器协作实时监测、感知和采集各种环境或监测对象的信息,是物联网感知的重要手段。
(3)感知信息融合处理
物联网系统中多类多个传感器感知信息的融合处理,直接关系到信息采集的有效性、准确性与可靠性。通过有效信息的提取、网络自适应感知和自适应编码等手段,提高多媒体信号在网络传输过程中的服务质量。
4.2体技术框架
4.2.1平台功能框架
建筑能耗监测与智能控制,主要是针对建筑物的水、电、煤、气的消耗使用情况进行监测,并以此为基础进行各个耗能设备的智能控制。本平台的基础数据为建筑、设备管理、物联网数据采集中间部件、数据接口、权限体系,并在此基础上搭建能源管理系统,通过对配电房、燃气转压、供水泵房、换热站进行各项耗能情况的检测,通过空调管理、路灯管理、工程管理优化耗能结构,实现实时能耗、分项能耗、设备状态、实时预警,以此实现能源公示,并取得建筑节能方案的优化。平台功能框架图5所示。

图5平台功能框架图
4.2.2平台技术架构
平台通过工业组态数据采集接口、安防数据接口等各种接口,向各个数据单元传输数据,通过建模分析各个数据,生成实时数据、历史数据、预警数据,并与各终端应用相结合,实现建筑的能耗检测与智能控制。平台技术架构如图6所示。

图6平台技术架构
4.3建筑能耗监测
4.3.1能耗分类分项
(1)建筑基本信息采集与统计,含建筑物基本信息调查,建筑近年能耗水耗账单采集与统计;
(2)建筑分类能耗,包括电量、水量、燃气、集中供热量、集中供冷量、煤、液化石油气、人工煤气、汽油、煤油、柴油、可再生能源、其他能源应用量;
(3)建筑分类水耗,包括市政自来水耗量、非传统水源利用量;
(4)室内耗能设备或系统基本信息采集与统计;
(5)运行管理节能及行为节能调查(含建筑用能管理制度)、建筑内人员行为节能调查。
4.3.2能耗诊断
设计一套实用的能耗分析初步方案,包括能耗参考值设置、能源使用量分析、能源使用费用分析、能耗基准分析、能耗平均基准分析、分项回路分析和能耗分析报告,实现能耗数据的统计处理和节能分析。
4.3.3能耗公示
(1)建筑基本信息
建筑基本信息,包括建筑名称、建筑面积、建筑层高、建筑层数、建筑功能、建成及使用年份、常驻人数、主要用能方式等。
(2)能耗水耗指标
能耗水耗指标,包括年度能耗量、年度水耗量。能耗水耗公示,包括实际能耗水耗量和标准量。年度分类能耗量:年度耗电量、年度燃料(煤、气、油等)消耗量、年度集中供热量、年度水耗量等。年度分类水耗量:市政自来水耗量、非传统水(雨水、中水)耗量。年度单位面积能耗量、年度单位面积水耗量、年度生均能耗量、年度生均水耗量。
4.3.4决策支持系统
系统以实现建筑节能为目标,以强大的数学模型为基础,以优化的控制算法为核心,以带有自学功能的能耗趋势为开环运算依据,以客观的能耗分析为评价指标,以用户的多元需求为服务宗旨,以对原有系统改动量为前导,体现优异的降耗指标。
系统能够根据应用需求给出系统统计区域内任意范围、任意时间段、任意能耗系统、任意单个设备的详细能耗数据;用户可根据查询需求个性化选择汇方式生成详细的能耗数据报表,还可将能耗数据报表生成诸如柱型图、曲线图、饼图、点图、面积图等统计图表,从而直观地对数据进行能耗分析,如图7-图8所示。

图7能量对比拼图

图8能耗分析线形图
5建筑能耗分析系统
5.1概述
Acrel-5000web建筑能耗分析系统是用户端能源管理分析系统,在电能管理系统的基础上增加了对水、气、煤、油、热(冷)量等集中采集与分析,通过对用户端所有能耗进行细分和统计,以直观的数据和图表向管理人员或决策层展示各类能源的使用消耗情况,便于找出高耗能点或不合理的耗能惯,有效节约能源,为用户进一步节能改造或设备升级提供准确的数据支撑。用户可按照*有关规定实施能源计算,分析现状,查找问题,挖掘节能潜力,提出切实可行的节能措施,并向县级以上管理节能工作的部门报送能源计算报告。
5.2应用场所
适用于公共建筑、集团公司、工业园区、大型物业、学校、医院、企业等不同行业的能耗监测与管理的系统设计、施工和运行维护。
6系统功能
6.1系统概况
平台运行状态,当月能耗折算、地图导航,各能耗逐时、逐月曲线,当日,当月能耗同比分析滚动显示。
6.2用能概况
对建筑、部门、区域、支路、分类分项等用能进行对比,支持当日逐时趋势、当月逐日趋势曲线、分时段能耗统计对比、能耗同环比对比。

6.3用能统计
对建筑、区域、分项、支路等结构按日、月、年报表的形式统计对分类能源用能进行统计,支持报表数据导出EXCEL,支持选择建筑数据进行生成柱状图。

6.4复费率统计
复费率报表按日、月、年统计对单栋建筑下不同支路的尖、峰、平、谷用电量及成本费用进行统计分析。支持数据导出到EXCEL。

6.5同比分析
对建筑、分项、区域、支路等用能按日、月、年以图形和报表结合的方式进行用能数据同比分析。

6.6能源流向图
能源流向图展示单栋建筑时段内各类能源从源头到末端的的能源流向,支持按原始值和折标值查看。

6.7夜间能耗分析
夜间能耗以表格、曲线、饼图等形式对选择支路分类能源在时段工作时间与非工作时间用能统计对比,支持导出报表。

6.8设备管理
设备管理包括,设备类型、设备台账、维保记录等功能。辅助用户合理管理设备,确保设备的运行。

6.9用户报告
用户报告针对选定的建筑自动统计各能源的月使用的同环比趋势,并提供简单的能耗分析结果,针对用电提供单独的复费率用能分析,报告可编辑。

7系统硬件配置



8结论
建筑能耗检测与智能控制系统,通过实时监测建筑能耗数据与智能控制相结合,能够得出建筑能耗的优化方案,大大降低传统建筑的能耗。系统采用统一的485协议,各个设备只需符合协议便可在系统中使用,方便了系统设计者的设计和集成商的集成、布线简单清晰,减少了线材的使用,方便后期的维护工作,同时便于用户的统一管理。
参考文献:
[1]GB50314-2015智能建筑设计标准[s].2015.
[2]DBJ/T13-197-2014福建省绿色建筑设计规范[s].2014.
[3]DBJ/T13-158-2012福建省公共建筑能耗监测系统技术规程[s].2012.
[4]王庭国.建筑能耗监测与智能控制系统.
[5]安科瑞企业微电网设计与应用手册.2022.05版.
