销售旋转分配器GF德国费低托FESTO

旋转分配器GF与单一
或多个旋转进料
从固定传输媒体
旋转机器零件的来源。
紧凑坚固的设计
双轴承使得旋转
分销商的可靠手段
保护您的媒体供应
机械负载。
在旋转分配器的情况下
与多个旋转通过饲料,
介质可以灵活供应和
通过径向和轴向返回
入口和出口。
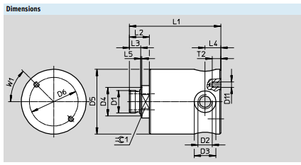
设计版本类型气动连接大。 转速页码/
入口出口[rpm] Internet
单旋转
通过式
1个入口,4个出口
GF Gx M5 3,000 3
G¼Gx
G½G¼2500
多
旋转
通过式
2个独立的入口和出口
GF Gx Gx 300 5用技术数据
气动连接1 GxG¼G½
气动连接2 M5 GxG¼
公称尺寸[mm] 4.1 8 15
安装位置任何
大。 转速[rpm] 3,000 3,000 2,500
大。 径向力[N] 150 150 250
大。 轴向力[N] 50 50 50
公称拧紧扭矩[Nm] 1.22±20%1.65±20%4.25±20%
操作和环境条件
整个工作压力
温度范围
[bar] -0.95 ... +10
操作介质压缩空气符合ISO 8573-1:2010 [7: - : - ]
关于操作/引导介质的注意事项可以使用润滑操作
环境温度[°C] -10 ... +80
耐腐蚀等级CRC1)1
1)耐腐蚀等级CRC 1至Festo标准FN 940070
低腐蚀应力。 用于室内干燥应用或运输和储存保护。 也适用于盖子后面的部件,不可见的内部区域以及应用中覆盖的部件(例如驱动器耳轴)

销售旋转分配器GF德国费低托FESTO
