EAM360R-Kit CANopen®/SAE J1939 - MAGRES编码器

特征:
编码器套件单圈或多圈/CANopen®/ SAE J1939
符合EN 13849标准的固件
E1兼容设计
高防护等级IP 67
代码序列
CW:增量韵律增量(增量)
运行速度
≤6000转/分钟
工作距离
轴向1,1±0.9 mm /偏心距≤0.3mm
阻力
DIN EN 60068-2-6振动30 g,10-2000 Hz
DIN EN 60068 - 2 - 27正向500 g,1 ms
重量约
170克
连接
接触头M12,5针
2米电
材料
外壳:钢,粉末涂层
劳伦斯:铝
输出阶段
CAN-Bus,LV(3.3 V)兼容ISO 11898
高抗冲击和振动
防腐蚀C5-M
导线截面积0.5mm²
实物图:

机械安装使用:
型旋转编码器的机械安装有高速端安装、低速端安装、辅助机械装置
量程而提高分辨率,缺点是运动物体通过减速齿轮后,来回程有齿轮间隙
安装等多种形式。
高速端安装:安装于动力马达转轴端(或齿轮连接),此方法优点是分辨率高
,由于多圈编码器有4096圈,马达转动圈数在此量程范围内,可充分用足
齿轮轴端,此方法已无齿轮来回程间隙,测量较直接,精度较高,此方法
直接安装于高速端,马达抖动须较小,不然易损坏编码器。
低速端安装:安装于减速齿轮后,如卷扬钢丝绳卷筒的轴端或后一节减速
误差,一般用于单向高精度控制定位,例如轧钢的辊缝控制。另外编码器
一般测量长距离定位,例如各种提升设备,送料小车定位等。
型号:
MY-COM A50/S35
MY-COM A75/200
MY-COM A75/200/K501
MY-COM A75/250
MY-COM A75/80
MY-COM A75/80/TF
MY-COM A75/S35
FHDM 16P5001/S14
FHDM 16N5004
FHDM 16P5004
FHDM 16N5004/S14
FHDK 10P5150/S35A
OPDK 14P1902
OPDK 14P1903
OPDK 14P3902
OPDK 14P3903
OPDK 14P1902/S14
OPDK 14P1902/S35A
OPDK 14P1903/S14
OPDK 14P1903/S35A
OPDK 14P3902/S14
OPDK 14P3902/S35A
OPDK 14P3903/S14
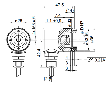
尺寸图:

FHDK 10N5160/S35A
FHDK 10P5160/S35A
FHDK 14N5101
FHDK 14P5101
FHDK 14N5101/S14
FHDK 14P5101/S14
FHDK 14N5101/S35A
FHDK 14P5101/S35A
FPAM 18P3151/S14
FPAM 18P5151/S14
FPCK 07N6901
FPCK 07P6901
FPDK 07N6901
FPDK 07P6901
FPCK 07N6901/KS35A
FNCK 07P6910
FNCK 07P6910/KS35A
FNDK 07N6910
FNDK 07N6910/KS35A
FNDK 07P6910
FNDK 07P6910/KS35A
FNDK 14G6902/IO
FNDK 14G6902/S14/IO
FNDK 14G6903/IO
FNDK 14G6903/S14/IO
FNDK 14G6902/S35A/IO
OBDM 12N6910/S35A
OBDM 12N6920/S35A
OBDM 12N6930/S35A
OBDM 12N6940/S35A
OBDM 12N6950/S35A
OBDM 12P6910/S35A
MY-COM B100/200
UEDK 20P6103/S35A
USDK 20D9003/S35A
EAM360R-Kit CANopen®/SAE J1939 - MAGRES编码器
