
单作用气缸STK-JY1-20-20-T2H3-D产品报价资料及其特点:
省空间型气缸
止动气缸
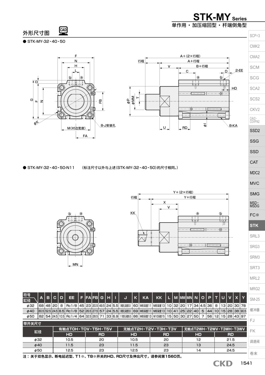
型号STK
用于向活塞杆施加横向负荷等用途的耐横向负荷性优异的方形、省空间气缸。*适用于搬送生产线的停止功能。
【高负荷用设计】
采用比普通活塞杆径大一级的粗活塞杆。
加宽了轴套活塞杆方向的宽度,强化了轴承部。
【3种动作方式】
备有双作用型、单作用加压缩回型、双作用带弹簧型3种。
【杆端形状可选】
备有圆杆型、倒角型、滚子型3种。
也可选择端面带螺纹孔的内螺纹型(选择项)。
【直接安装】
可使用内六角螺栓直接安装。
有螺纹旋入和贯穿螺栓2种安装方式。
STK 双作用·杆端圆杆型 Φ20, Φ32, Φ40, Φ50 10, 15, 20, 25, 30
STK‐Y 单作用?加压缩回型?杆端圆杆型 Φ20, Φ32, Φ40, Φ50 10, 15, 20, 25, 30
STK‐Y1 双作用?带弹簧型?杆端圆杆型 Φ20, Φ32, Φ40, Φ50 10, 15, 20, 25, 30
STK‐M 双作用·杆端倒角型 Φ20, Φ32, Φ40, Φ50 10, 15, 20, 25, 30
STK-MY 单作用?加压缩回型?杆端倒角型 Φ20, Φ32, Φ40, Φ50 10, 15, 20, 25, 30
STK-MY1 双作用?带弹簧型?杆端倒角型 Φ20, Φ32, Φ40, Φ50 10, 15, 20, 25, 30
STK-JY 单作用?加压缩回型?杆端滚子型 Φ20, Φ32, Φ40, Φ50 10, 15, 20, 25, 30
STK-JY1 双作用·带弹簧型·杆端滚子型 Φ20, Φ32, Φ40, Φ50 10, 15, 20, 25, 30
气缸的直径与它可以从输入气压产生的力的大小成正比:
F=(PxA)-f
F:气缸力(N)
P:气压(MPa)
A:活塞面积(mm2)
f:摩擦阻力(N)
帽端端口(A),
拉杆(B),
杆端端口(C),
活塞(D),
桶(E)和
活塞杆(F)
气动气缸可用于5bar至20bar的压力范围
原则气缸将压缩空气介质的压力能以直线或旋转运动的形式转化为机械能
单作用气缸
只有活塞的一侧有一定的工作压力,力作用于一个方向以控制运动,通过内部弹簧等外力恢复正常状态
单作用气缸的类型
根据操作,单作用气缸分为推式和拉式。
关于气缸开关的使用方法
3.2.1通用事项
1)
磁场环境
在周围存在强磁场.大电流(大磁铁、点焊机等)的环境中,请使用强磁场开关。带开关气缸并排靠
近安装的时候、或磁性体在离气缸很近的地方移动的时候,可能会产生相互干扰而影响检测精度。
2)
导线的配线
请注意导线上不能有重复的弯曲应力和张力。
可动部请使用有耐曲性的机械手用电线。
3)使用温度
不能在高温(过60C的场合)使用。
根据磁性部品、电子部品的温度特性,请避免在高温环境下使用。
4)中间位置检测
将气缸开关设定为行程中间位置,并且在活塞通过时驱动负荷的情况下,如果速度过快,STK-JY1-20-20-T2H3-D气缸开关虽
然也会动作,但是要注意由于动作时间短,有时也会无法对负荷作出响应。
可检测的*活塞速度:V
V(mm/s) =一
气缸开关动作范围(mm)
负荷的动作时间(s)
气缸开关的动作范围请参照第7页的第4)项中表的*小值。
关于冲击
气缸搬运以及开关安装调整的时候,请不要使其承受过大的冲击。。
CKD自创立以来,作为自动化技术先锋,时刻掌握时代需求,开发研究出各种商品。现在的商品阵容已多达数十万种,活跃于广泛的产业领域。CKD正利用自身的综合技术实力,与客户一起着手于创*商品制造。活用广泛的技术和先端技术,广泛的技术领域以及丰富的商品系列阵容。图下是CKD产品STK-JY1-20-20-T2H3-D的选型资料和配置方式:
“全新的 TM5 TaskMaster 为机器制造商和终用户制造商提供了使机器更快、更可靠的工具,”艾默生美洲机器自动化工程副裁 James Ward 说。“这是有史以来性能高、可靠的 TaskMaster 气缸,因此它为他们提供了建立竞争优势的机会。”。
伺服电机根据需要与变速箱和随附的丝杠驱动器或齿轮齿条一起布置,提供对任何行程位置的加速度、速度、减速度、定位和精度的控制。然而,伺服解决方案的采购、配置和安装既昂贵又复杂。如果应用程序需要这样的性能,那么伺服是正确的解决方案,但很多时候它是矫枉过正的。。
单作用或双作用:气动执行器或气缸通常属于这两个类别,具体取决于应用类型、所需的力或运动、工作的大小以及预期的精度或控制。通常,STK-JY1-20-20-T2H3-D气动执行器或气缸将在其中容纳活塞和杆。类型取决于应用:提供多种类型的气动执行器或气缸,包括无杆气缸、圆形气缸和紧凑型气缸。有多种不同类型的气缸和执行器可供选择,具体取决于它们所需的应用。它们可以是单作用或双作用。。