台湾mindman金器MVSB-180-4E1电磁阀已停产

规格:
体宽 18毫米
钻孔编号 6A
端口大小 RC1 / 8
有效的孔口 12毫米2,9毫米2 (5/3)
响应时间 30毫秒
环境温度 -5~ + 50℃(不冻结)
电压 AC110V,220V(50/60)Hz,DC24V
港口数量 五
职位数量 2,3
中 空气
工作压力范围 0.15~0.8 MPa
证明压力 1兆帕
流 653升/分钟,490升/分钟(5/3)
能量消耗 AC = 2.1 / 1.8VA,DC = 1.6W
可用电压范围 ±10%
实物图:

工作原理:
电磁阀里有密闭的腔,在不同位置开有通孔,每个孔连接不同的油管
进油孔是常开的,液压油就会进入不同的排油管,然后通过油的压力
,腔中间是活塞,两面是两块电磁铁,哪面的磁铁线圈通电阀体就会
被吸引到哪边,通过控制阀体的移动来开启或关闭不同的排油孔,而
来推动油缸的活塞,活塞又带动活塞杆,活塞杆带动机械装置。这样
通过控制电磁铁的电流通断就控制了机械运动。
型号:
MVSB-180-4E1-AC220V,
MVSY-100-4E1-DC24V-L-W,
MVSD-180-4E1-DC24V-W,
MFC-1010T(M10x1.25)
MVSC-300-4E1-AC220
MVSC-300-4E1-DC24V,
MVSY-188-4E1-DC24V,
MVSY-188M-4E2R-DC24V,
MVSC-260-4E1-AC220V
MVSC-260-4E1-AC220V,
MCQA-11-50-300M-BSP,
MCGB-03-12-25-BSP,
MCJS-12-20-10,
MCQA-11-63-200M
MVSD-180-4E1-DC24V-W,
MVSD-180-4E1-DC24V-W
MVSY-156-4E1-DC24V-L-W,
MVSB-180-4E1-24V,
MVSC-220-4E1-DC24V-L,
MVSC-260-4E1-AC220V,
MVSY-156-4E1-DC24V,
MVSY-100-4E1-DC24V.
MAS-L-32-90,
MCGB-03-32-30,
MVSC-220-4E1-DC24V-L,
MVSC-220-3E1-NC-DC24V,
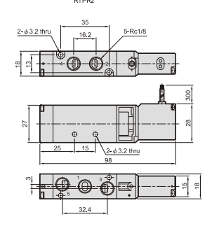
尺寸图:

MVSC-260-4E1-AC220V
MVSC-220-3E1-NC-AC220V,
MVSD-180-4E1-DC24V-W,
MVSD-180-4E1-DC24V-W,
MUS25-AC220V,
MVSA-150-4E1-DC24V
MVSB-180-4E1-AC220V,
MVSD180-4E1-AC220V-W,
MVSD180-4E2C-AC220V-W,
MVSD-180-4E2-DC24V-W
MVSY-100-4E1-DC24V-L-W,
MVSY-156-4E2-DC24V,
MVSD-180-4E1-DC24V-L,
MCGB-23-32-30,
MCDB-03-25-25M,
MCGB-03-20-20
MVSY-188-4E1-DC24V,
MVSY-188-4E1-DC24V-L-W
MVSY-188M-4E2R-DC24V,
MVSC-180-4E2-DC24V,
MVSC-300-3E1-DC24V,
MVSC-180-4E1-DC24V
MVSB-180-4E1-24V,
MVSC-300-4E1-DC24V,
MVSC-300-4E1-DC24V
MVSC-260-4E1-AC220V
MVSB-180-4E1-AC220V,
MVSC-220-4E1-DC24V-L
台湾mindman金器MVSB-180-4E1电磁阀已停产
