SICK圆柱形光电传感器grl18sg-p1137图纸

工作原理详细信息 双透镜
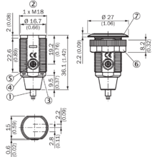
尺寸(宽 x 高 x 深) 18 mm x 18 mm x 38.1 mm
外壳形状(光束出口) 圆柱形
螺丝直径(外壳) M18 x 1
GR18S 系列光电传感器采用圆柱形 M18 外壳、采用特殊的缩短设计、提供。
短结构的***圆柱形 M18-传感器
五个不同的外壳设计
可选塑料或金属、轴向或径向光学版本
清晰醒目的 PinPoint-LED 灯
得益于五种不同的外壳设计、它可广泛用于多种应用。
定位 led 、
塑料和金属外壳型号以及状态指示灯、可从传感器系列功能的所有角度轻松可见。
一个亮点是全嵌入式金属变体、专门设计用于处理和仓储系统中的恶劣工业环境。
光轴 轴向
*开关距离 0.03 m ... 7.2 m 1)
感应距离 0.06 m ... 6 m 1)
光源种类 可见红光
光源 PinPoint-LED 2)
光点尺寸(距离) Ø 175 mm (7 m)
轴长 650 nm
设置 电位计,270°
显示器
LED,绿色 状态指示灯
持续接通:上电
LED 黄色 光接收状态
持续接通:物体不存在
持续断开:物体存在
特殊规格 检测透明物体
特殊应用 检测透明物体
1) 反射器 PL80A.
2) 平均使用寿命:100,000 小时,TU = +25 °C.

接线图 Cd-094

特征曲线 GRL18S

光点尺寸 GRL18S

触发感应距离图表 GRL18S

响应范围 GRL18S

尺寸图 GR18S,塑料,电缆,轴向,可调整
机械/电子参数
供电电压 10 V DC ... 30 V DC 1)
残余纹波 < 5 Vss 2)
电流消耗 30 mA
开关量输出 PNP
开关类型 明/暗切换
信号电压 PNP 高电平/低电平 约 UV - (≤ 3 V)/ 约 0 V
输出电流 Imax. ≤ 100 mA 3)
响应时间 < 500 µs 4)
开关频率 1,000 Hz 5)
连接类型 电缆 4针, 2 m
导线材料 PVC
防护等级 III
偏光滤镜 ✔
外壳材料 塑料, ABS
材料、光学元件 塑料, PMMA
外壳防护等级 IP67
供货范围 固定螺母(2 x)
特殊规格 检测透明物体
电磁兼容性(EMC) EN 60947-5-2
运行环境温度 –25 °C ... +55 °C 9)
仓库环境温度 –40 °C ... +70 °C
SICK圆柱形光电传感器grl18sg-p1137图纸
