宁波秉圣工业作为一家经验丰富的公司,我们始终坚持以客户为中心的理念。我们的目标是为每一位客户提供*的解决方案,让您的业务获得更大的*。
我们拥有一支技术娴熟、*素质过硬的团队,能够分析和理解您的需求,并为您量身定制*适合的渠道和服务。

REXROTH比例方向阀 R900927230 4WREE10E752X/G24K31/A1V
REXROTH比例方向阀 R901496451 4WREE6W1-16-3X/V/24F1
REXROTH比例方向阀 R901496430 4WREE6E32-3X/V/24A1-655
REXROTH比例方向阀 R901526548 4WREE6E16J-30/M/24A1
REXROTH比例方向阀 R900931371 4WREE10W502X/G24K31/A1V
REXROTH比例方向阀 R900954107 4WRE10W75-2X/G24K4/V
REXROTH比例方向阀 R900970089 4WREE10E1-75-2X/G24K31/F1V
REXROTH比例方向阀 R901517463 4WREE6W1-16-3X/V/24A1
REXROTH比例方向阀 R900953729 4WRE6W1-08-2X/G24K4/V
REXROTH比例方向阀 R901496434 4WREE6E08-3X/V/24F1
REXROTH比例方向阀 R901496440 4WREE6V16-3X/V/24A1
REXROTH比例方向阀 R901496438 4WREE 6 W32-3X/V/24F1
REXROTH比例方向阀 R900933480 4WRE 6 W32-2X/G24K4/V
REXROTH比例方向阀 R900953102 4WREE 10 W25-2X/G24K31/F1V
REXROTH比例方向阀 R900925733 4WREE6E32-2X/G24K31/F1V
REXROTH比例方向阀 R900925733 4WREE6E32-2X/G24K31/F1V
REXROTH比例方向阀 R900937065 4WREE6W1-16-24/G24K31/F1V
REXROTH比例方向阀 R900949806 4WREE10W50-23/G24K31/F1V
REXROTH比例方向阀 R900933476 4WREE6W1-32-2X/G24K31/F1V
REXROTH比例方向阀 R900956574 4WREE 10 E25-2X/G24K31/F1V
REXROTH比例方向阀 R900943094 4WREE10E50-2X/G24K31/F1V
REXROTH比例方向阀 R900927230 4WREE10E75-2X/G24K31/A1V
REXROTH比例方向阀 R900944121 4WRE6W16-2X/G24K4/V
REXROTH比例方向阀 R900954096 4WRE6W1-32-2X/G24K4/V
REXROTH比例方向阀 R900954106 4WRE10W50-2X/G24K4/V
REXROTH比例方向阀 R900929827 4WREE 6 W1-08-2X/G24K31/A1V
REXROTH比例方向阀 R900941623 4WREE6E16-2X/G24K31/F1V
REXROTH比例方向阀 R901496450 4WREE6V32-3X/V/24F1
REXROTH比例方向阀 R901085278 4WREE6V32-2X/G24K31/A1V-742 4/3
REXROTH比例方向阀 R900956458 4WREE10W1-25-23/G24K31/A1V
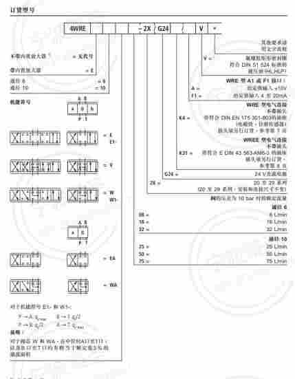
4WREE10E752X/G24K31/A1V是力士乐(Bosch Rexroth)生产的一款比例阀。
下面详细介绍该比例阀的工作原理、选择与应用,以及维护与故障排除方面的相关内容。
工作原理:
4WREE10E752X/G24K31/A1V是一种电控比例阀,通过控制电流的大小来调节流量。其工作原理如下:
- 内置的电磁阀根据输入的电流信号来调节阀芯的位置。
- 阀芯的移动会改变流体通道的开口面积,从而控制流量。
- 输入的电流信号可以通过外部电子设备、PLC控制器等来产生,使得比例阀能够实现的流量调节。
比例阀的选择与应用:
- 选择比例阀时,需要考虑系统的需求和工作环境,包括工作压力、流量范围、介质的特性等。
- 比例阀广泛应用于工业自动化控制系统、流体控制系统等领域。常见的应用包括液压系统的流量控制、压力控制、位置控制等。
维护与故障排除:
- 定期检查比例阀的密封件,确保其工作正常。
- 清洁比例阀的工作表面,防止污垢或异物进入影响阀芯的移动。
- 当比例阀出现故障时,可以首先检查电源供应是否正常,然后检查电磁阀元件是否损坏或堵塞,*检查阀芯和密封件是否出现磨损或老化。
- 了解比例阀的工作参数和使用说明,根据实际情况进行维护和故障排除。
REXROTH比例方向阀 R901073284 4WREE6EB08-2X/G24K31/A1V
REXROTH比例方向阀 R900920567 4WREE6E162X/G24K31/A1V
REXROTH比例方向阀 4WREE 10 E75-2X/G24K31/A1V
REXROTH比例方向阀 R900907114 4WREE 6 E32-2X/G24K31/A1V
REXROTH比例方向阀 R900927356 4WREE 10 E-75/2X/G24K31/F1V
REXROTH比例方向阀 R900927230 4WREE 10 E75-2X/G24K31/A1V
REXROTH比例方向阀 R900956574 4WREE 10 E25-2X/G24K31/F1V
REXROTH比例方向阀 R900954106 4WRE10W50-2X/G24K4/V
REXROTH比例方向阀 R901236928 4WREQ10Q5-50-2X/V5A-24PF60
REXROTH比例方向阀 R901208368 4WREQ6V32-2X/V5A-24PF60
REXROTH比例方向阀 R900949806 4WREE10W50-2X/G24K31/F1V
REXROTH比例方向阀 R900924283 4WREE6W08-2X/G24K31/F1V
REXROTH比例方向阀 R900927233 4WREE 10 W75-2X/G24K31/A1V
REXROTH比例方向阀 R900967564 4WREE6W04-2X/G24K31/F1V
REXROTH比例方向阀 R900925657 4WREE 6 W16-2X/G24K31/A1V
REXROTH比例方向阀 R900909367 4WREE 6 V08-2X/G24K31/A1V
REXROTH比例方向阀 R900617269 4WREE 10 V75-2X/G24K31/F1V
REXROTH比例方向阀 R900911681 4WREE6V32-24/G24K31/A1V
REXROTH比例方向阀 R901354740 4WREE 6 V32-2X/G24K31/F1M
REXROTH比例方向阀 R901354783 4WREE10V75-2X/G24K31/F1M
REXROTH比例方向阀 R900954104 4WRE10E1-75-2X/G24K4/V
REXROTH比例方向阀 R900923000 4WREE 6 W08-2X/G24K31/A1V
REXROTH比例方向阀 R900949222 4WREE 6 E1-32-2X/G24K31/F1V
REXROTH比例方向阀 R900937065 4WREE 6 W1-16-2X/G24K31/F1V
REXROTH比例方向阀 R900912156 4WREE 6 E08-2X/G24K31/A1V
REXROTH比例方向阀 R900907440 4WREE6V16-2X/G24K31/A1V
REXROTH比例方向阀 R900246793 4WREE 6 W32-2X/G24K31/F1V
REXROTH比例方向阀 R900927231 4WREE 10 E50-2X/G24K31/A1V
REXROTH比例方向阀 R901282800 4WREQ6Q5-16-2X/V00-24PA63
REXROTH比例方向阀 R900928553 4WREE 6 E1-32-2X/G24K31/A1V
REXROTH比例方向阀 R900920567 4WREE 6 E16-2X/G24K31/A1V
REXROTH比例方向阀 R901496449 4WREE 6 W1-08-3X/V/24F1
REXROTH比例方向阀 R901236928 4WREQ 10 Q5-50-2X/V5A-24PF60
REXROTH比例方向阀 R900950341 4WREE 6 E08-2X/G24K31/A1V-655
REXROTH比例方向阀 R900926366 4WRE6E32-2X/G24K4/V
REXROTH比例方向阀 R900926366 4WRE6E32-2X/G24K4/V
宁波秉圣是一家专注于液压件进口贸易的公司,位于浙江省宁波市。作为一家经验丰富的贸易公司,宁波秉圣致力于为客户提供高质量的液压配件和解决方案。我们与国内外多家液压件制造商建立了长期稳定的合作关系,以确保客户能够获得*可靠和的产品。无论您需要液压泵、阀、油缸还是其他配件,宁波秉圣都能够为您提供全方位的产品选择和*服务,满足您的需求。在宁波秉圣,我们始终将客户的满意度放在首位,致力于与客户建立长期的合作伙伴关系。欢迎您来电咨询。
