博士REXROTH浮球开关力士乐性能参数
液位开关的功能
当浮球在油位下降的情况下达到转换点时,将通过磁力操作触点。触点切换位置保持不变,直到油位上升令浮球再次过转换点为止
作为标准,转换点 L1 安装为常闭触点,可将转换点 L2 的触点功能选择为常闭触点或常开触点。
按照技术数据(见“技术数据”)垂直安装
避免流动
不要让开关承受过大的压力和弯曲
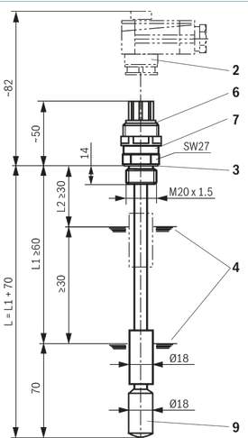
成形密封垫 M20 x 1.5 RNI 18104
转换点
连接器 K24;4 极 M12 x 1
查远离外部磁场。否则簧片触点的功能可能受损。
滑管中固定着两个由安装在浮球中的*磁体进行切换的簧片触点(常闭触点和常开触点)。
定温度触点(选件)用于监控*液压油温度。
连接器 K14;4 极 (3 + PE) DIN EN 175301-803
只能由*人员进行电气连接
在连接后拧紧圆形连接器 M12 x 1 和/或连接插头
仅可在断电情况下插上圆形连接器 M12 x 1 和/或连接插头
不要使触点过载(请参阅“技术数据”)
请提供保护电路以防感应负载
液开关功能
当浮球在油位下降的情况下达到转换点时,将通过磁力操作触点。触点切换位置保持不变,直到油位上升令浮球再次过转换点为止。
作为标准,转换点 L1 安装为常闭触点,可将转换点 L2 的触点功能选择为常闭触点或常开触点。
用于连接部件 K24 (M12 x 1) 的连接插头,请参阅“连接插头”
用于连接部件 K14 的连接插头,请参阅“连接插头”
浮球开关是通过流体移动浮球来运行的开关设备。它们被用于在小型液压站 ABSKG ... NG10;20;40 和 60 中控制油箱的液压油位。
博士REXROTH浮球开关力士乐性能参数


