AMD Part3R系列气动控制阀/日本喜开理CKD

规格:
使用流体 纯水、化学液体、空气、氮气(注1)
流体温度 ℃ 5~120(注2、注3)
耐压力 MPa 1.0
使用压力(A→B) MPa 0~0.5
使用压力(B→A) MPa 0~0.5
阀座泄漏 cm3
/min 0(水压)
背压 MPa 0~0.5
环境温度 ℃ 0~60
频率 30次/分钟以下
安装方式 自由
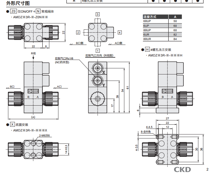
连接方式
OD1/8"配管连接(接头一体型)
ODφ6配管连接(接头一体型)
OD1/4"配管连接(接头一体型)
通径 φ2 φ3.5 φ4
Cv值 (注
控制部位 控制压力 MPa NC、NO:0.4~0.5,双作用:0.3~0.4
控制气口 Rc1/8(使用控制气口 NC:Y气口 NO:X气口 双作用:X、Y气口)


AMD Part3R系列气动控制阀/日本喜开理CKD
