
电磁阀M-04-2PV-3-G5-DC12V批发商订做及其特点:
摆动?旋转型气缸
SELEX摆动气缸叶片型
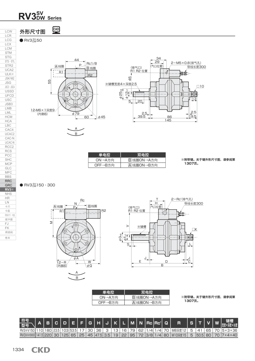
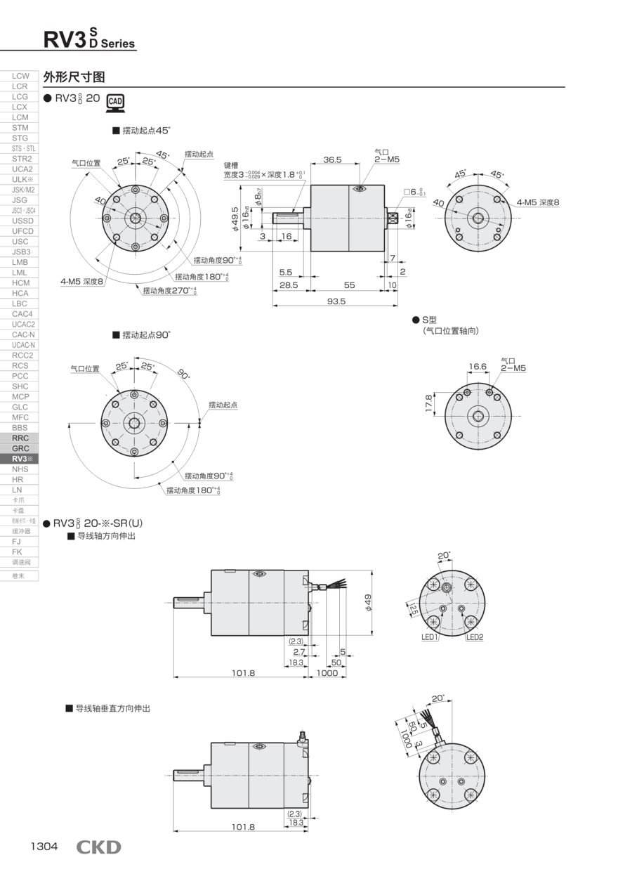
型号RV3※
耐久性优异,可配备开关。扭矩规格丰富的叶片型摆动气缸。
【系列充实】
小型SELEX摆动气缸新增摆动角度270°型,装置设计的自由度更高。
【高扭矩、省空间】
小型SELEX摆动气缸新增双叶片型,实现了高扭矩、省空间。
【使用方便的摆动起点】
摆动起点可选择45°、90°,安装更方便。(尺寸30以上、摆动角度270°除外)
【系列中新增摆动角度可变型】
新增了利用挡块和微调螺钉,可从30°起在*摆动角度范围内自由设定角度的角度调整型,有助于实现机械装置的高精度化。(尺寸1及50以上除外)
【可高温使用】
使用通过空气干燥机抑制了空气湿度的干燥空气时,可在?5?80℃的环境温度范围内使用。(带开关、尺寸30以上除外)
RV3S 小型?标准型单叶片 0.12~3.19 [N?M] 90, 180, 270
RV3D 小型?标准型双叶片 0.27~7.7 [N?M] 90
RV3SV 小型?带阀单叶片?单电控 0.98~3.19 [N?M] 90, 180, 270
RV3SW 小型?带阀单叶片?双电控 0.98~3.19 [N?M] 90, 180, 270
RV3DV 小型?带阀双叶片?单电控 2.11~7.7 [N?M] 90
RV3DW 小型?带阀双叶片?双电控 2.11~7.7 [N?M] 90
RV3SA 小型?角度可变型单叶片 0.31~3.19 [N?M] 180, 270
RV3DA 小型?角度可变型双叶片 0.71~7.70 [N?M] 90
RV3S 大型?标准型单叶片 4.7~102 [N?M] 90, 180, 270, 280
RV3D 大型?标准型双叶片 10.1~206 [N?M] 90, 100
RV3SV 大型?带阀单叶片?单电控 4.7~27.9 [N?M] 90, 180, 270, 280
RV3SW 大型?带阀单叶片?双电控 4.7~27.9 [N?M] 90, 180, 270, 280
RV3DV 大型?带阀双叶片?单电控 10.1~66.6 [N?M] 90, 100
RV3DW 大型?带阀双叶片?双电控 10.1~66.6 [N?M] 90, 100
RV3SH 大型?低油压型单叶片 4.7~102 [N?M] 90, 180, 270, 280
RV3DH 大型?低油压型双叶片 10.1~206 [N?M] 90, 100
RVC 缓冲器 - 90, 100, 180, 270, 280
全长缩短至
97mm重量减少54%(0.69kg→0.32kg)
可选择多种盖板形状
端口尺寸:M5、Rc、NPT1/8可供选择
杆端安装形状可选择
自动带开关(JCDM系列:JCDM)-增加了底
脚型和法兰型。
气缸的拆封
1)请确认订单的产品型号和产品标牌的MODEL栏的型号相同。
2)请确认外 观没有损伤。
3)为了防止异物从配管端口中进入气缸内部,请将气缸带防尘密封保存。
请在进行配管作业时再取下防尘密封。
2.关于安装的事项
2.1关于安装
1)气缸 使用的环境温度为- 10~ 60°C (但不能冻结)。
2)对于尘埃比较多的场所,请使用带防尘罩的气缸。
3)请注意M-04-2PV-3-G5-DC12V气缸缸筒在和物体相碰后会歪斜,而导致动作不良。
4)支承零件安装要 点
支承零件以单件形式随产品附带时,请参照本页的支承零件安装要领图来装配。另外,轴销形(TC.
TA.TB)气缸安装轴销后出货。。
CKD自创立以来,作为自动化技术先锋,时刻掌握时代需求,开发研究出各种商品。现在的商品阵容已多达数十万种,活跃于广泛的产业领域。CKD正利用自身的综合技术实力,与客户一起着手于创*商品制造。活用广泛的技术和先端技术,广泛的技术领域以及丰富的商品系列阵容。图下是CKD产品M-04-2PV-3-G5-DC12V的选型资料和配置方式:
机械开关的操作类似于继电器触点。固态开关有 PNP(源型)和 NPN(漏型)两种,必须选择它们以匹配控制系统特性。在驱动继电器或灯等其他负载时,工程师必须评估开关功率和额定电流。
常见的是使用在检测到位置时关闭的常开 (NO) 开关,尽管有时常闭 (NC) 版本。从电气角度来看,是希望选择故障安全逻辑,这样如果接线或开关出现故障,设备将以安全的方式停止。。
垂直布局进行得很顺利,直到发现一个问题。冲头气缸终距离消防喷淋头偏转器仅 15 英寸。机器的每个其他部分都在气缸顶部以下 6 英寸以上。根据 NFPA 13,与喷头偏转器之间必须至少留有 18 英寸的间隙,因此该设备堆叠需要至少减少 3 英寸。在这种情况下,通过改用无杆气缸避免了完全重新设计,从而节省了所需的 6 英寸。。
AutomationDirect-Figure-1 气动设计
图 1:该 AutomationDirect NITRA 空气制备装置包含常见的空气制备组件,易于安装并减少安装空间和成本。
线性动力传输通常使用流体(气动与空气或液压与油)或电力完成。许多供应商喜欢推广电动执行器的使用及其效率,但简单可靠的气动执行器和气缸仍然经常驱动线性运动。。