FFAF031相关参数 威格勒WENGLOR流量传感器
传感器数据
可选测量范围 10 ... 300 cm/s
测量范围 1 10 ... 150 cm/s
设置范围 1 15 ... 150 cm/s
测量范围 2 20 ... 300 cm/s
设置范围 2 30 ... 300 cm/s
介质 水
测量误差(计) 2 %
MTTFd (EN ISO a
切换滞后 5 %
温度梯度 30 K
温度突变响应时间 10 s
环境条件
介质温度 0 ... 100 °C
瞬时介质温度 140 °C
环境温度 -20 ... 70 °C
抗压强度 60 bar

电磁兼容性 DIN EN 60947-5-9
撞击防御 DIN IEC 68-2-27 30 g / 11 ms
耐振性 DIN IEC 60068-2-6 20 g (10...2000 Hz)
电气数据
供电电压 16 ... 32 V DC
电流消耗(Ub = 24 V) 60 mA
切换输出端数量 1
模拟输出端 4...20 mA Flow
信號源 流量
响应时间 1 ... 5 s
继电器输出端开关电流(24 VDC) < 1 A
电流输出端负载电阻 < 500 Ohm
抗短路 是
反极性保护 是
防护等级 III
机械数据
设置方式 菜单
外壳材料 PBT; PC; FKM
操作面板材料 聚酯
润湿的材料 1.4435; 1.4404; FKM
防护等级 IP67 *
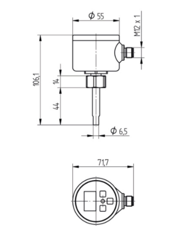
连接方式 M12 × 1;5针
流程连接 M 18×1.5密封锥
过程连接长度(PCL) 64 mm
杆长(PL) 44 mm

输出功能
流量模拟输出端 是
PNP常开触点 是
可调参数
电路 常闭触点
常闭触点/常开触点
常开触点
其他参数 开关量点
可选测量范围
通过显示屏轻松操作
测量不受风向影响
安装不受位置限制
同档次内*别的度同档次内*别的度
液流与介质温度之间的显示屏可变/可移动
介质温度 0...100 °C (140 °C 适合24小时无流量测量)
wenglor uniflow流量传感器测量密闭管道系统中含水或含油介质的流速。 借助一体显示屏,能够轻松操作uniflow流量传感器。使用清楚可见的切换状态显示屏,能够在进行维护工作时快速固定相关传感器。

FFAF031相关参数 威格勒WENGLOR流量传感器
